GE
IS215VAMBH1A
$11000
In Stock
T/T
Xiamen
| Availability: | |
|---|---|
| Quantity: | |
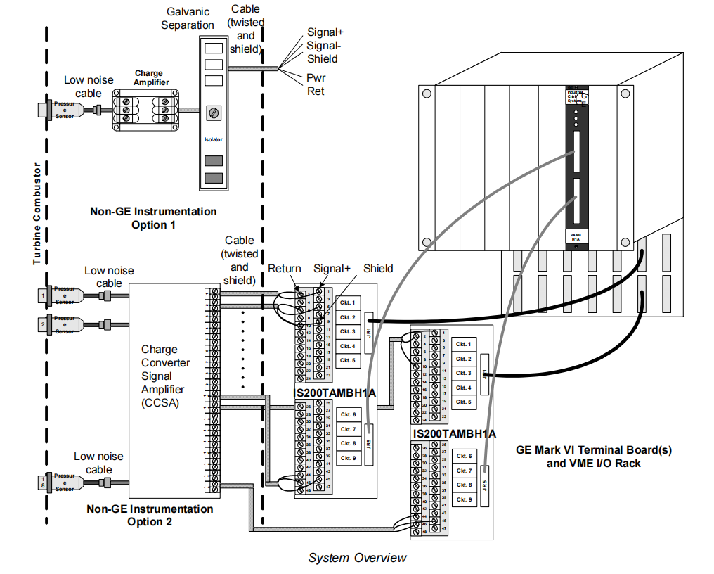
The IS215VAMBH1A, known as the VME Acoustic Monitoring Input/Output sub-assembly, is a critical component within the General Electric (GE) Mark VI Turbine Control System. It is a high-performance, multi-channel acoustic and dynamic pressure signal acquisition and processing module, specifically designed for combustor dynamic pressure (pulsation) monitoring in gas turbines, especially large industrial units like the Frame 6, 7, and 9 series. This board works in conjunction with one or two IS215VAMBH1A Acoustic Monitoring Terminal Boards to form a complete acoustic monitoring solution. Its purpose is to capture, condition, and analyze dynamic pressure signals from the combustor in real-time, serving as a vital hardware foundation for combustion stability monitoring, fault prediction, and performance optimization in gas turbines.
The core function of the IS215VAMBH1A system is the continuous monitoring of acoustic pressure fluctuations generated by the combustion process, which directly reflect the combustion state. By analyzing the intensity (RMS value), frequency components (FFT analysis), and peaks of these signals, the control system can assess combustion stability in real-time, identify hazardous conditions like "oscillatory combustion," and trigger timely alarms or protective actions when anomalies occur. This effectively prevents equipment damage and ensures safe, efficient, and stable unit operation.
This product supports equipment from various major third-party vibration and acoustic sensor vendors, such as Bently-Nevada, Vibro-meter, PCB Piezotronics, as well as GE's own Reuter-Stokes flame detectors and CCSA (Charge Converter Signal Amplifier), demonstrating excellent compatibility and system integration flexibility.
2. System Composition and Hardware Architecture
The IS215VAMBH1A acoustic monitoring system features a layered architecture, consisting of the following main hardware components:
IS215VAMBH1A Main Processing Board: The core of the system, installed in the VME rack of the Mark VI control system. It is responsible for receiving analog signals from the Terminal Boards (TAMB), performing high-speed analog-to-digital conversion (A/D), digital signal preprocessing (e.g., filtering), engineering value calculations (e.g., RMS, FFT), and data exchange with the Mark VI controller. An onboard FPGA (Field-Programmable Gate Array) is used for high-speed synchronous sampling and FIR (Finite Impulse Response) filtering preprocessing.
IS215VAMBH1A Terminal Board: Serves as the interface between field sensors and the VAMB main board. Each TAMB terminal board provides 9 independent signal conditioning channels. Its primary functions include:
Sensor Power Supply: Provides isolated, current-limited +24V DC or -24V DC power (depending on sensor type) to connected charge amplifiers or sensors.
Signal Conditioning & Protection: Provides signal buffering, electromagnetic interference (EMI) suppression, and transient voltage protection.
Input Type Selection: Configures each channel for voltage input (V_IN) or current input (L_IN, with a 250Ω burden resistor for 4-20mA loops) via hardware jumpers (JPx).
Bias Control: Provides optional +28V, -28V, or ground bias voltage for open-circuit detection.
Diagnostic Output: Each channel provides a buffered BNC output for field testing and signal verification.
Onboard Identification: Contains a read-only chip storing the terminal board serial number, model, revision, and connector location information, which is verified by the VAMB board during power-up.
Connections: The IS215VAMBH1A terminal boards are connected to the front-edge connectors of the VAMB main board via cables with multiple twisted-pair shielded wires (e.g., 37-pin connectors), ensuring signal integrity and noise immunity.
System configuration varies depending on the gas turbine model and the number of combustors. For example, a 7EA unit typically uses 1 IS215VAMBH1A board and 2 TAMB boards to support up to 18 monitoring channels, while a 6FA unit may only require 1 VAMB and 1 TAMB board for 9 channels.
3. Core Technology and Functional Features
The IS215VAMBH1A integrates advanced analog and digital signal processing technologies. Its main technical features include:
High-Precision Multi-Channel Synchronous Sampling: Provides 18 fully synchronously sampled differential analog input channels. It utilizes 8x oversampling technology, minimizing reliance on analog anti-aliasing filters and improving signal fidelity and dynamic range.
Powerful FPGA Preprocessing: The onboard FPGA performs high-speed FIR digital filtering and other proprietary algorithm preprocessing before data reaches the main processor. This effectively filters out irrelevant noise, extracts key signal features, reduces the main processor's load, and ensures real-time performance.
Flexible and Adjustable Signal Conditioning:
Programmable Gain: Independently adjustable per channel with gain options of 1, 2, 4, and 8. This amplifies low-level signals to the optimal A/D conversion range, improving the signal-to-noise ratio (SNR) and resolution.
Automatic DC Bias Removal: Automatically removes the DC bias component from the signal, maximizing the SNR of the AC dynamic pressure signal.
A/D Self-Calibration: Features an auto-calibration function that corrects gain and offset errors in all 18 channels caused by initial component variations by comparing them against a "gold standard" channel calibrated with a high-precision voltage reference. This ensures long-term measurement accuracy.
Comprehensive Signal Analysis and Calculation:
RMS (Root Mean Square) Calculation: Calculates the RMS value of the AC signal for each channel in real-time, serving as a key indicator of overall combustion dynamic pressure intensity. Supports configurable scan counts for rolling averaging to smooth signal fluctuations.
FFT (Fast Fourier Transform) Analysis: Configurable FFT length (from 1024 to 32768 points) for spectrum analysis to identify specific frequency components (e.g., transverse frequency, screech frequency). Provides configurable frequency band divisions (low-low, low, mid, high, screech, transverse, etc.) and peak limit checking for each band.
Engineering Unit Conversion: Supports linear conversion of hardware-read millivolt (mV) signals into engineering units (e.g., PSI) via configuration parameters (High/Low Input values corresponding to High/Low Engineering values).
Advanced Diagnostics and Protection Functions:
Open Circuit Detection: Utilizes configurable DC bias voltage to automatically detect open-circuit faults in sensors or signal cables.
Signal Saturation Detection: Monitors whether the input signal exceeds the A/D conversion range due to excessive gain setting.
Sensor Limit Checking: Checks if the input signal peak exceeds the reasonable range for the configured sensor type.
System Limit Checking: Each channel supports two independent, configurable (enable/disable, greater-than-or-equal-to/less-than-or-equal-to, latching/non-latching) system-level alarm limits.
Board and Terminal Board Self-Diagnostics: The VAMB board has three status LEDs on its front panel: RUN, FAIL, and DIAG. During power-up, the board verifies its own integrity and the IDs of connected TAMB terminal boards to prevent misconnection.
Data Capture and Event Logging: When any channel triggers an alarm, the system can automatically capture and store data lists (raw data, FFT results, or engineering values) from all 18 channels for a period before and after the event. This provides valuable historical data for fault analysis. It also supports manually requested operator capture lists.
4. Installation and Configuration
Installation: Installation of the IS215VAMBH1A board and TAMB terminal boards is recommended to be performed by GE-trained field service technicians. Installation must follow relevant installation guides (e.g., GII-100014), ensuring correct rack slot placement, cable connections (especially the multi-pair cable to the VAMB card front edge), and grounding.
Configuration (via ToolboxST Software): The powerful features of the VAMB require detailed configuration using GE's ToolboxST engineering tool. Configuration is divided into common parameters and independent parameters for each channel.
Common Configuration Parameters (Affect all channels):
Sampling & Processing Parameters: Such as sample rate, FFT length, frequency band boundary points and limits, number of scans for rolling averages, power line frequency notch filter (50/60 Hz), etc.
Event Capture Settings: Define trigger conditions, data source (raw input, FFT output, engineering values, etc.), and buffer depth.
Window Function Selection: Offers various window functions for FFT analysis, including Rectangular, Hanning, Hamming, etc.
Per-Channel Configuration Parameters:
Basic Settings: InputUse (select sensor type: Bently-Nevada, Vibro-meter, CCSA, PCB, GE/RS, Custom, etc.), Gain (gain selection), Can_id (associated combustor can number).
Calibration Parameters: High_Input/Low_Input (mV) and High_Value/Low_Value (engineering units) to define the linear conversion curve from mV to engineering units.
TAMB Control: BiasLevel (bias voltage selection), CCSel (constant current source selection).
Diagnostic Enables: Independently enable or disable various diagnostic functions such as open circuit detection, bias auto-nulling, sensor limit check, signal saturation detection, system limit check, and configure the comparison type and threshold for system limits.
TAMB Terminal Board Jumper Settings: According to the actual connected sensor vendor and model, jumpers (JPx) for each channel must be set correctly per the manual's jumper setting table. Even-numbered jumpers (JP2, JP4...) select Voltage Input (V_IN) or Current Input (L_IN); odd-numbered jumpers (JP1, JP3...) select whether the signal return line (RETx) is tied to Power Common (PCOM). For example, when connecting a Bently-Nevada 350500 sensor, the even jumper is typically set to V_IN, and the odd jumper to OPEN (4-wire method) or PCOM (3-wire method).
5. Technical Specifications Summary
Signal Channels: 18 synchronous differential analog inputs.
Input Range: Differential voltage input, supports millivolt-level dynamic pressure signals. The maximum input signal magnitude (after DC bias removal) must not exceed the saturation voltage (10V at Gain=1) based on the selected gain.
Accuracy:
RMS Calculation Accuracy: ±2.0% of full scale.
Peak-to-Peak FFT Calculation Accuracy: ±0.5% of full scale from 0 to 1600 Hz; ±1.5% of full scale from 1601 to 3200 Hz.
Power Supply Outputs (via TAMB):
P24V (Current-Limit Mode): +22.8 to +25.2 V DC, nominal current 44 mA.
P24V (Constant Current Mode, for PCB sensors): +20 to +30 V DC, nominal current 3.5 mA.
N24V (Current-Limit Mode): -18.85 to -26 V DC, nominal current 20 mA.
Digital Processing: FPGA preprocessing, supports FIR filtering. A/D converters feature self-calibration.
Output: Each TAMB channel provides 1 buffered BNC output (Gain 1±0.5%, offset approx. 30mV).
Diagnostic LEDs: The VAMB board front panel has three LEDs: RUN (flashing green), FAIL (solid red), DIAG (solid orange when a diagnostic alarm exists).
Environmental & Physical Specifications: Complies with Mark VI VME board standards, suitable for industrial control room environments.
6. Fault Diagnosis and Maintenance
The IS215VAMBH1A system provides detailed fault codes and alarm information for quick troubleshooting:
Board-Level Diagnostic Alarms: Such as Flash Memory CRC Error, Terminal Board ID Mismatch, A/D Not Calibrated, Configuration Incompatibility, etc., typically indicating board hardware, firmware, or connection issues.
Channel-Level Diagnostic Alarms: For each signal channel (Sig x), reports may include "Open Circuit Test Failed" (check wiring and sensor), "Bias Nulling Error" (check InputUse configuration), "Input Signal Saturated" (check Gain configuration), "Sensor Limit Exceeded" (check sensor type or the sensor itself), etc.
System Limit Alarms: Triggered when a signal exceeds configured system limits. Can be reset via the RESET_SYS command (if configured as non-latching).
Routine maintenance mainly involves periodic checks of system status LEDs, reviewing diagnostic information via ToolboxST, ensuring proper ventilation, and verifying connections are secure. In case of hardware failure, replacement of the respective board (VAMB or TAMB) is usually required, followed by reconfiguration by qualified personnel.
The IS215VAMBH1A, known as the VME Acoustic Monitoring Input/Output sub-assembly, is a critical component within the General Electric (GE) Mark VI Turbine Control System. It is a high-performance, multi-channel acoustic and dynamic pressure signal acquisition and processing module, specifically designed for combustor dynamic pressure (pulsation) monitoring in gas turbines, especially large industrial units like the Frame 6, 7, and 9 series. This board works in conjunction with one or two IS215VAMBH1A Acoustic Monitoring Terminal Boards to form a complete acoustic monitoring solution. Its purpose is to capture, condition, and analyze dynamic pressure signals from the combustor in real-time, serving as a vital hardware foundation for combustion stability monitoring, fault prediction, and performance optimization in gas turbines.
The core function of the IS215VAMBH1A system is the continuous monitoring of acoustic pressure fluctuations generated by the combustion process, which directly reflect the combustion state. By analyzing the intensity (RMS value), frequency components (FFT analysis), and peaks of these signals, the control system can assess combustion stability in real-time, identify hazardous conditions like "oscillatory combustion," and trigger timely alarms or protective actions when anomalies occur. This effectively prevents equipment damage and ensures safe, efficient, and stable unit operation.
This product supports equipment from various major third-party vibration and acoustic sensor vendors, such as Bently-Nevada, Vibro-meter, PCB Piezotronics, as well as GE's own Reuter-Stokes flame detectors and CCSA (Charge Converter Signal Amplifier), demonstrating excellent compatibility and system integration flexibility.
2. System Composition and Hardware Architecture
The IS215VAMBH1A acoustic monitoring system features a layered architecture, consisting of the following main hardware components:
IS215VAMBH1A Main Processing Board: The core of the system, installed in the VME rack of the Mark VI control system. It is responsible for receiving analog signals from the Terminal Boards (TAMB), performing high-speed analog-to-digital conversion (A/D), digital signal preprocessing (e.g., filtering), engineering value calculations (e.g., RMS, FFT), and data exchange with the Mark VI controller. An onboard FPGA (Field-Programmable Gate Array) is used for high-speed synchronous sampling and FIR (Finite Impulse Response) filtering preprocessing.
IS215VAMBH1A Terminal Board: Serves as the interface between field sensors and the VAMB main board. Each TAMB terminal board provides 9 independent signal conditioning channels. Its primary functions include:
Sensor Power Supply: Provides isolated, current-limited +24V DC or -24V DC power (depending on sensor type) to connected charge amplifiers or sensors.
Signal Conditioning & Protection: Provides signal buffering, electromagnetic interference (EMI) suppression, and transient voltage protection.
Input Type Selection: Configures each channel for voltage input (V_IN) or current input (L_IN, with a 250Ω burden resistor for 4-20mA loops) via hardware jumpers (JPx).
Bias Control: Provides optional +28V, -28V, or ground bias voltage for open-circuit detection.
Diagnostic Output: Each channel provides a buffered BNC output for field testing and signal verification.
Onboard Identification: Contains a read-only chip storing the terminal board serial number, model, revision, and connector location information, which is verified by the VAMB board during power-up.
Connections: The IS215VAMBH1A terminal boards are connected to the front-edge connectors of the VAMB main board via cables with multiple twisted-pair shielded wires (e.g., 37-pin connectors), ensuring signal integrity and noise immunity.
System configuration varies depending on the gas turbine model and the number of combustors. For example, a 7EA unit typically uses 1 IS215VAMBH1A board and 2 TAMB boards to support up to 18 monitoring channels, while a 6FA unit may only require 1 VAMB and 1 TAMB board for 9 channels.
3. Core Technology and Functional Features
The IS215VAMBH1A integrates advanced analog and digital signal processing technologies. Its main technical features include:
High-Precision Multi-Channel Synchronous Sampling: Provides 18 fully synchronously sampled differential analog input channels. It utilizes 8x oversampling technology, minimizing reliance on analog anti-aliasing filters and improving signal fidelity and dynamic range.
Powerful FPGA Preprocessing: The onboard FPGA performs high-speed FIR digital filtering and other proprietary algorithm preprocessing before data reaches the main processor. This effectively filters out irrelevant noise, extracts key signal features, reduces the main processor's load, and ensures real-time performance.
Flexible and Adjustable Signal Conditioning:
Programmable Gain: Independently adjustable per channel with gain options of 1, 2, 4, and 8. This amplifies low-level signals to the optimal A/D conversion range, improving the signal-to-noise ratio (SNR) and resolution.
Automatic DC Bias Removal: Automatically removes the DC bias component from the signal, maximizing the SNR of the AC dynamic pressure signal.
A/D Self-Calibration: Features an auto-calibration function that corrects gain and offset errors in all 18 channels caused by initial component variations by comparing them against a "gold standard" channel calibrated with a high-precision voltage reference. This ensures long-term measurement accuracy.
Comprehensive Signal Analysis and Calculation:
RMS (Root Mean Square) Calculation: Calculates the RMS value of the AC signal for each channel in real-time, serving as a key indicator of overall combustion dynamic pressure intensity. Supports configurable scan counts for rolling averaging to smooth signal fluctuations.
FFT (Fast Fourier Transform) Analysis: Configurable FFT length (from 1024 to 32768 points) for spectrum analysis to identify specific frequency components (e.g., transverse frequency, screech frequency). Provides configurable frequency band divisions (low-low, low, mid, high, screech, transverse, etc.) and peak limit checking for each band.
Engineering Unit Conversion: Supports linear conversion of hardware-read millivolt (mV) signals into engineering units (e.g., PSI) via configuration parameters (High/Low Input values corresponding to High/Low Engineering values).
Advanced Diagnostics and Protection Functions:
Open Circuit Detection: Utilizes configurable DC bias voltage to automatically detect open-circuit faults in sensors or signal cables.
Signal Saturation Detection: Monitors whether the input signal exceeds the A/D conversion range due to excessive gain setting.
Sensor Limit Checking: Checks if the input signal peak exceeds the reasonable range for the configured sensor type.
System Limit Checking: Each channel supports two independent, configurable (enable/disable, greater-than-or-equal-to/less-than-or-equal-to, latching/non-latching) system-level alarm limits.
Board and Terminal Board Self-Diagnostics: The VAMB board has three status LEDs on its front panel: RUN, FAIL, and DIAG. During power-up, the board verifies its own integrity and the IDs of connected TAMB terminal boards to prevent misconnection.
Data Capture and Event Logging: When any channel triggers an alarm, the system can automatically capture and store data lists (raw data, FFT results, or engineering values) from all 18 channels for a period before and after the event. This provides valuable historical data for fault analysis. It also supports manually requested operator capture lists.
4. Installation and Configuration
Installation: Installation of the IS215VAMBH1A board and TAMB terminal boards is recommended to be performed by GE-trained field service technicians. Installation must follow relevant installation guides (e.g., GII-100014), ensuring correct rack slot placement, cable connections (especially the multi-pair cable to the VAMB card front edge), and grounding.
Configuration (via ToolboxST Software): The powerful features of the VAMB require detailed configuration using GE's ToolboxST engineering tool. Configuration is divided into common parameters and independent parameters for each channel.
Common Configuration Parameters (Affect all channels):
Sampling & Processing Parameters: Such as sample rate, FFT length, frequency band boundary points and limits, number of scans for rolling averages, power line frequency notch filter (50/60 Hz), etc.
Event Capture Settings: Define trigger conditions, data source (raw input, FFT output, engineering values, etc.), and buffer depth.
Window Function Selection: Offers various window functions for FFT analysis, including Rectangular, Hanning, Hamming, etc.
Per-Channel Configuration Parameters:
Basic Settings: InputUse (select sensor type: Bently-Nevada, Vibro-meter, CCSA, PCB, GE/RS, Custom, etc.), Gain (gain selection), Can_id (associated combustor can number).
Calibration Parameters: High_Input/Low_Input (mV) and High_Value/Low_Value (engineering units) to define the linear conversion curve from mV to engineering units.
TAMB Control: BiasLevel (bias voltage selection), CCSel (constant current source selection).
Diagnostic Enables: Independently enable or disable various diagnostic functions such as open circuit detection, bias auto-nulling, sensor limit check, signal saturation detection, system limit check, and configure the comparison type and threshold for system limits.
TAMB Terminal Board Jumper Settings: According to the actual connected sensor vendor and model, jumpers (JPx) for each channel must be set correctly per the manual's jumper setting table. Even-numbered jumpers (JP2, JP4...) select Voltage Input (V_IN) or Current Input (L_IN); odd-numbered jumpers (JP1, JP3...) select whether the signal return line (RETx) is tied to Power Common (PCOM). For example, when connecting a Bently-Nevada 350500 sensor, the even jumper is typically set to V_IN, and the odd jumper to OPEN (4-wire method) or PCOM (3-wire method).
5. Technical Specifications Summary
Signal Channels: 18 synchronous differential analog inputs.
Input Range: Differential voltage input, supports millivolt-level dynamic pressure signals. The maximum input signal magnitude (after DC bias removal) must not exceed the saturation voltage (10V at Gain=1) based on the selected gain.
Accuracy:
RMS Calculation Accuracy: ±2.0% of full scale.
Peak-to-Peak FFT Calculation Accuracy: ±0.5% of full scale from 0 to 1600 Hz; ±1.5% of full scale from 1601 to 3200 Hz.
Power Supply Outputs (via TAMB):
P24V (Current-Limit Mode): +22.8 to +25.2 V DC, nominal current 44 mA.
P24V (Constant Current Mode, for PCB sensors): +20 to +30 V DC, nominal current 3.5 mA.
N24V (Current-Limit Mode): -18.85 to -26 V DC, nominal current 20 mA.
Digital Processing: FPGA preprocessing, supports FIR filtering. A/D converters feature self-calibration.
Output: Each TAMB channel provides 1 buffered BNC output (Gain 1±0.5%, offset approx. 30mV).
Diagnostic LEDs: The VAMB board front panel has three LEDs: RUN (flashing green), FAIL (solid red), DIAG (solid orange when a diagnostic alarm exists).
Environmental & Physical Specifications: Complies with Mark VI VME board standards, suitable for industrial control room environments.
6. Fault Diagnosis and Maintenance
The IS215VAMBH1A system provides detailed fault codes and alarm information for quick troubleshooting:
Board-Level Diagnostic Alarms: Such as Flash Memory CRC Error, Terminal Board ID Mismatch, A/D Not Calibrated, Configuration Incompatibility, etc., typically indicating board hardware, firmware, or connection issues.
Channel-Level Diagnostic Alarms: For each signal channel (Sig x), reports may include "Open Circuit Test Failed" (check wiring and sensor), "Bias Nulling Error" (check InputUse configuration), "Input Signal Saturated" (check Gain configuration), "Sensor Limit Exceeded" (check sensor type or the sensor itself), etc.
System Limit Alarms: Triggered when a signal exceeds configured system limits. Can be reset via the RESET_SYS command (if configured as non-latching).
Routine maintenance mainly involves periodic checks of system status LEDs, reviewing diagnostic information via ToolboxST, ensuring proper ventilation, and verifying connections are secure. In case of hardware failure, replacement of the respective board (VAMB or TAMB) is usually required, followed by reconfiguration by qualified personnel.
| Category | Specification | Details / Limits |
|---|---|---|
| Signal Input | Channels | 18 synchronous differential analog inputs. |
| Input Type | Differential voltage. Supports dynamic pressure signals in the millivolt range. | |
| Maximum Input Signal (after DC bias removal) | Must not exceed saturation level based on gain: • Gain = 1: 10 V • Gain = 2: 5 V • Gain = 4: 2.5 V • Gain = 8: 1.25 V | |
| Accuracy (RMS Calculation) | ±2.0% of full scale (for Gains 1, 2, 4, 8 V/V). | |
| Accuracy (Peak-Peak FFT Calculation) | • 0 to 1600 Hz: ±0.5% of full scale. • 1601 to 3200 Hz: ±1.5% of full scale. | |
| Power Supply Outputs (via TAMB) | P24V Outputs (Current-Limit Mode) | Quantity: 9 (one per channel). Voltage: +22.8 to +25.2 V DC. Nominal Current: 44 mA ±10%. Min/Max Peak Current Range: 20 – 60 mA. |
| P24V Output (Constant Current Mode) | Quantity: 9 (selectable per channel via CCSELx). Voltage: +20 to +30 V DC. Nominal Current: 3.5 mA ±10%. Control Input Type: TTL. TRUE State Logic Level: High. | |
| N24V Outputs (Current-Limited) | Quantity: 9 (one per channel). Voltage: -18.85 to -26 V DC. Nominal Current: 20 mA. Maximum Load Current: 30 mA. | |
| Jumper Selections (on TAMB) | JPx (even) Jumpers | Quantity: 9 (one per channel). Type: 3-pin, selecting between current input (L_IN, connected to 250Ω burden resistor) and voltage input (V_IN, open). |
| JPx (odd) Jumpers | Quantity: 9 (one per channel). Type: 3-pin, selecting whether the return signal line (RETx) is tied to Power Common (PCOM) or left open (OPEN). | |
| Bias Control (via TAMB) | Channels with Bias Control | 9 (one per channel). |
| Control Input Signal Type | TTL. | |
| TRUE State Logic Level | High. | |
| DC Error Introduced to Dynamic Signal | < 0.5%. | |
| Buffered BNC Outputs (on TAMB) | Quantity | 9 (one per channel). |
| DC Gain (DC bias removed) | 1 ±0.5%. | |
| Allowable Offset | 30 mV ±10%. | |
| Output Impedance | 40 Ω ±50%. | |
| QC Connector Type (J6) | 25-pin D-shell. | |
| Digital Processing | Preprocessor | Field Programmable Gate Array (FPGA). |
| Preprocessing Features | Synchronous sampling, Finite Impulse Response (FIR) filters. | |
| A/D Conversion | Fast synchronous-sampled, 8x oversampling capability. | |
| A/D Calibration | Auto-calibration function against a gold standard channel. | |
| Physical / Indicators | Board Format | VME card for Mark VI I/O rack. |
| Front Panel LEDs | • RUN: Flashing Green (normal). • FAIL: Solid Red. • DIAG: Solid Orange (if diagnostic alarm exists). | |
| Terminal Board ID | Serial EPROM on TAMB stores serial number, type, revision, connector location. |
| Category | Specification | Details / Limits |
|---|---|---|
| Signal Input | Channels | 18 synchronous differential analog inputs. |
| Input Type | Differential voltage. Supports dynamic pressure signals in the millivolt range. | |
| Maximum Input Signal (after DC bias removal) | Must not exceed saturation level based on gain: • Gain = 1: 10 V • Gain = 2: 5 V • Gain = 4: 2.5 V • Gain = 8: 1.25 V | |
| Accuracy (RMS Calculation) | ±2.0% of full scale (for Gains 1, 2, 4, 8 V/V). | |
| Accuracy (Peak-Peak FFT Calculation) | • 0 to 1600 Hz: ±0.5% of full scale. • 1601 to 3200 Hz: ±1.5% of full scale. | |
| Power Supply Outputs (via TAMB) | P24V Outputs (Current-Limit Mode) | Quantity: 9 (one per channel). Voltage: +22.8 to +25.2 V DC. Nominal Current: 44 mA ±10%. Min/Max Peak Current Range: 20 – 60 mA. |
| P24V Output (Constant Current Mode) | Quantity: 9 (selectable per channel via CCSELx). Voltage: +20 to +30 V DC. Nominal Current: 3.5 mA ±10%. Control Input Type: TTL. TRUE State Logic Level: High. | |
| N24V Outputs (Current-Limited) | Quantity: 9 (one per channel). Voltage: -18.85 to -26 V DC. Nominal Current: 20 mA. Maximum Load Current: 30 mA. | |
| Jumper Selections (on TAMB) | JPx (even) Jumpers | Quantity: 9 (one per channel). Type: 3-pin, selecting between current input (L_IN, connected to 250Ω burden resistor) and voltage input (V_IN, open). |
| JPx (odd) Jumpers | Quantity: 9 (one per channel). Type: 3-pin, selecting whether the return signal line (RETx) is tied to Power Common (PCOM) or left open (OPEN). | |
| Bias Control (via TAMB) | Channels with Bias Control | 9 (one per channel). |
| Control Input Signal Type | TTL. | |
| TRUE State Logic Level | High. | |
| DC Error Introduced to Dynamic Signal | < 0.5%. | |
| Buffered BNC Outputs (on TAMB) | Quantity | 9 (one per channel). |
| DC Gain (DC bias removed) | 1 ±0.5%. | |
| Allowable Offset | 30 mV ±10%. | |
| Output Impedance | 40 Ω ±50%. | |
| QC Connector Type (J6) | 25-pin D-shell. | |
| Digital Processing | Preprocessor | Field Programmable Gate Array (FPGA). |
| Preprocessing Features | Synchronous sampling, Finite Impulse Response (FIR) filters. | |
| A/D Conversion | Fast synchronous-sampled, 8x oversampling capability. | |
| A/D Calibration | Auto-calibration function against a gold standard channel. | |
| Physical / Indicators | Board Format | VME card for Mark VI I/O rack. |
| Front Panel LEDs | • RUN: Flashing Green (normal). • FAIL: Solid Red. • DIAG: Solid Orange (if diagnostic alarm exists). | |
| Terminal Board ID | Serial EPROM on TAMB stores serial number, type, revision, connector location. |

