ABB
TU841 3BSE020848R11
$360
In Stock
T/T
Xiamen
| Availability: | |
|---|---|
| Quantity: | |
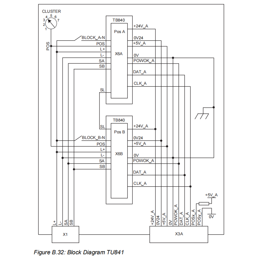
The TU841 is a Module Termination Unit (MTU) designed specifically for the ABB Compact Product Suite, playing a critical role in industrial automation control systems. Its primary function is to provide redundant configuration support for the Optical ModuleBus Modems TB840/TB840A and connect them to non-redundant I/O modules. As a passive device, this unit undertakes core tasks such as power distribution, bus connection, and module management, serving as a vital component for achieving high system reliability and flexibility.
As the central connection hub for modular I/O stations, the TU841 integrates multiple functions including power interface, bus interface, address setting, and mechanical locking into a single compact unit. Its DIN rail mounting design greatly saves space inside control cabinets and simplifies installation and maintenance processes.
The core design objective of the TU841 is to support the redundant installation of dual TB840/TB840A modems. These two modems share a single electrical ModuleBus but are each connected to different Optical ModuleBus lines. This architecture provides physical layer redundancy for the communication path: if the primary optical path or primary modem fails, the system can automatically or manually switch to the backup path, ensuring uninterrupted data exchange between the upper-layer I/O modules and the controller. This is crucial for applications requiring high continuity, such as process control and safety systems.
The front of the unit features a rotary switch for setting the Cluster Address of this I/O cluster, with a configurable range from 1 to 7. In an Optical ModuleBus network, up to 7 such clusters can be connected, each identified and managed by the system via its unique address. This setting method is simple and intuitive, requiring no software tools, facilitating quick configuration and modification by field engineers.
The TU841 incorporates an ingenious physical mistake-proofing mechanism—the Mechanical Keys. The unit has a total of four keys, two for each module slot position. Each key has 6 different positions, and through combination, provides up to 36 different physical codes for each module position. These codes correspond to the grooves on the bottom of the respective modules.
Mistake-Proofing Function: When installing a TB840A or other compatible module, the module can only be inserted smoothly if its mechanical code exactly matches the code set on the MTU. This fundamentally prevents the installation of incorrect module types or models into incompatible termination units, avoiding electrical damage or system failures due to hardware mismatch.
Flexible Configuration: The position of the keys can be easily adjusted using a screwdriver, allowing the same TU841 to adapt to different module models or versions in the future, providing forward-looking configuration flexibility.
The TU841 integrates an internal BLOCK signal circuit, with one independent BLOCK signal for each module position (A and B). When a module is not correctly inserted and locked into the MTU, this signal keeps the module in its INIT (Initialization) state, preventing it from activating and participating in bus communication. This ensures that a module can only enter operational status after being physically secured and its connection confirmed as reliable, further enhancing system safety and reliability.
DIN Rail Mounting: Complies with industrial standards, easily clipped onto a standard 35 mm DIN rail. Supports vertical or horizontal mounting to suit different cabinet layouts.
Mechanical Latch and Grounding: The unit is equipped with a mechanical latching device. Using a screwdriver to operate this latch securely locks the TU841 onto the DIN rail, preventing dislodgement due to vibration or accidental contact. Simultaneously, this latch mechanism ensures a good electrical connection between the MTU and the DIN rail (typically grounded), guaranteeing reliable equipment grounding. This meets the earth protection requirements for Class I equipment and helps dissipate static electricity and noise interference.
The TU841 is an ideal choice for building medium to large-scale, highly reliable distributed I/O systems based on the ABB Optical ModuleBus. Typical application scenarios include:
Process Automation Plants: In industries such as petrochemicals, pharmaceuticals, and water treatment, where a large number of I/O signals (analog, digital) distributed across plant areas need to be reliably transmitted over long distances via fiber optics to a central control room. The TU841, paired with redundant TB840As, provides a reliable communication gateway for each remote I/O cluster.
Critical Infrastructure Control: Such as energy stations, compressor stations, etc., where system downtime is costly. Using the TU841 to establish redundant communication paths maximizes the continuity of control signals.
Stations Requiring I/O Expansion: When the number of modules required for an I/O station exceeds the limit of 12 modules per single electrical ModuleBus, new I/O clusters can be created via TB840A and TU841, connected via fiber optics to the main station, allowing flexible system capacity expansion.
Redundant Communication for Non-Redundant I/O: For cost-sensitive applications where communication link reliability is still high. The I/O modules themselves can be non-redundant to save costs, but using TU841 with redundant TB840A ensures the "backbone" leading to these I/O modules is reliable.
In system integration, the TU841 typically works in conjunction with the following components:
Upper-Level Controllers: Such as the AC 800M series.
Optical ModuleBus: Serves as the backbone communication network.
TB840/TB840A ModuleBus Modems: Provide electrical-to-optical conversion interfaces.
Various S800 I/O Modules: Perform specific signal input/output functions.
Power Supply Modules: Provide 24V DC power, configurable as single or monitored redundant supplies.
Brief Installation Steps:
Clip the TU841 onto a standard 35mm DIN rail.
Use a screwdriver to engage the mechanical latch, securely locking the unit to the rail and achieving grounding.
Based on the model of the TB840A module to be installed, use a screwdriver to adjust the four mechanical keys to the correct positions.
Set the rotary switch to the assigned address (1-7) for this I/O cluster.
Connect the power supply wires to the L+ and L- terminals. If using and monitoring redundant power supplies, connect to the SA and SB terminals.
Connect the bus cable from the controller or upper level to the electrical ModuleBus interface.
Align the two TB840A modules according to the key positions, insert them smoothly into positions A and B, and press down firmly, ensuring they are released by the BLOCK signal and locked in place.
Configuration Key Points:
The mechanical keys must be set before inserting the modules, ensuring they match the coding on the module bottom.
The cluster address must be unique within the system to avoid conflicts.
Power supply voltage must be within the specified range, with correct polarity.
Maintenance:
The TU841 is a passive device and generally requires no regular maintenance.
If modules need to be replaced or adjusted, ensure the system is powered down or in a safe state.
For cleaning, use a dry, soft cloth; avoid chemical solvents.
The TU841 is a Module Termination Unit (MTU) designed specifically for the ABB Compact Product Suite, playing a critical role in industrial automation control systems. Its primary function is to provide redundant configuration support for the Optical ModuleBus Modems TB840/TB840A and connect them to non-redundant I/O modules. As a passive device, this unit undertakes core tasks such as power distribution, bus connection, and module management, serving as a vital component for achieving high system reliability and flexibility.
As the central connection hub for modular I/O stations, the TU841 integrates multiple functions including power interface, bus interface, address setting, and mechanical locking into a single compact unit. Its DIN rail mounting design greatly saves space inside control cabinets and simplifies installation and maintenance processes.
The core design objective of the TU841 is to support the redundant installation of dual TB840/TB840A modems. These two modems share a single electrical ModuleBus but are each connected to different Optical ModuleBus lines. This architecture provides physical layer redundancy for the communication path: if the primary optical path or primary modem fails, the system can automatically or manually switch to the backup path, ensuring uninterrupted data exchange between the upper-layer I/O modules and the controller. This is crucial for applications requiring high continuity, such as process control and safety systems.
The front of the unit features a rotary switch for setting the Cluster Address of this I/O cluster, with a configurable range from 1 to 7. In an Optical ModuleBus network, up to 7 such clusters can be connected, each identified and managed by the system via its unique address. This setting method is simple and intuitive, requiring no software tools, facilitating quick configuration and modification by field engineers.
The TU841 incorporates an ingenious physical mistake-proofing mechanism—the Mechanical Keys. The unit has a total of four keys, two for each module slot position. Each key has 6 different positions, and through combination, provides up to 36 different physical codes for each module position. These codes correspond to the grooves on the bottom of the respective modules.
Mistake-Proofing Function: When installing a TB840A or other compatible module, the module can only be inserted smoothly if its mechanical code exactly matches the code set on the MTU. This fundamentally prevents the installation of incorrect module types or models into incompatible termination units, avoiding electrical damage or system failures due to hardware mismatch.
Flexible Configuration: The position of the keys can be easily adjusted using a screwdriver, allowing the same TU841 to adapt to different module models or versions in the future, providing forward-looking configuration flexibility.
The TU841 integrates an internal BLOCK signal circuit, with one independent BLOCK signal for each module position (A and B). When a module is not correctly inserted and locked into the MTU, this signal keeps the module in its INIT (Initialization) state, preventing it from activating and participating in bus communication. This ensures that a module can only enter operational status after being physically secured and its connection confirmed as reliable, further enhancing system safety and reliability.
DIN Rail Mounting: Complies with industrial standards, easily clipped onto a standard 35 mm DIN rail. Supports vertical or horizontal mounting to suit different cabinet layouts.
Mechanical Latch and Grounding: The unit is equipped with a mechanical latching device. Using a screwdriver to operate this latch securely locks the TU841 onto the DIN rail, preventing dislodgement due to vibration or accidental contact. Simultaneously, this latch mechanism ensures a good electrical connection between the MTU and the DIN rail (typically grounded), guaranteeing reliable equipment grounding. This meets the earth protection requirements for Class I equipment and helps dissipate static electricity and noise interference.
The TU841 is an ideal choice for building medium to large-scale, highly reliable distributed I/O systems based on the ABB Optical ModuleBus. Typical application scenarios include:
Process Automation Plants: In industries such as petrochemicals, pharmaceuticals, and water treatment, where a large number of I/O signals (analog, digital) distributed across plant areas need to be reliably transmitted over long distances via fiber optics to a central control room. The TU841, paired with redundant TB840As, provides a reliable communication gateway for each remote I/O cluster.
Critical Infrastructure Control: Such as energy stations, compressor stations, etc., where system downtime is costly. Using the TU841 to establish redundant communication paths maximizes the continuity of control signals.
Stations Requiring I/O Expansion: When the number of modules required for an I/O station exceeds the limit of 12 modules per single electrical ModuleBus, new I/O clusters can be created via TB840A and TU841, connected via fiber optics to the main station, allowing flexible system capacity expansion.
Redundant Communication for Non-Redundant I/O: For cost-sensitive applications where communication link reliability is still high. The I/O modules themselves can be non-redundant to save costs, but using TU841 with redundant TB840A ensures the "backbone" leading to these I/O modules is reliable.
In system integration, the TU841 typically works in conjunction with the following components:
Upper-Level Controllers: Such as the AC 800M series.
Optical ModuleBus: Serves as the backbone communication network.
TB840/TB840A ModuleBus Modems: Provide electrical-to-optical conversion interfaces.
Various S800 I/O Modules: Perform specific signal input/output functions.
Power Supply Modules: Provide 24V DC power, configurable as single or monitored redundant supplies.
Brief Installation Steps:
Clip the TU841 onto a standard 35mm DIN rail.
Use a screwdriver to engage the mechanical latch, securely locking the unit to the rail and achieving grounding.
Based on the model of the TB840A module to be installed, use a screwdriver to adjust the four mechanical keys to the correct positions.
Set the rotary switch to the assigned address (1-7) for this I/O cluster.
Connect the power supply wires to the L+ and L- terminals. If using and monitoring redundant power supplies, connect to the SA and SB terminals.
Connect the bus cable from the controller or upper level to the electrical ModuleBus interface.
Align the two TB840A modules according to the key positions, insert them smoothly into positions A and B, and press down firmly, ensuring they are released by the BLOCK signal and locked in place.
Configuration Key Points:
The mechanical keys must be set before inserting the modules, ensuring they match the coding on the module bottom.
The cluster address must be unique within the system to avoid conflicts.
Power supply voltage must be within the specified range, with correct polarity.
Maintenance:
The TU841 is a passive device and generally requires no regular maintenance.
If modules need to be replaced or adjusted, ensure the system is powered down or in a safe state.
For cleaning, use a dry, soft cloth; avoid chemical solvents.
Table 1: TU841 General Specifications
| Item | Specification |
|---|---|
| Product Model | TU841 |
| Article Number | 3BSE020848R11 |
| Product Type | Module Termination Unit (MTU) for Redundant TB840/TB840A and Non-Redundant I/O |
| Communication Protocol | ModuleBus |
| Master/Slave Role | Not Applicable (Passive Unit) |
| Line Redundancy | Yes (Supports dual TB840A modem redundancy) |
| I/O Redundancy | No (Connects to non-redundant I/O) |
| Power Supply Redundancy | Single power input (redundant power status can be monitored) |
| Hot Swap Support | No |
Table 2: TU841 Electrical Specifications
| Item | Specification |
|---|---|
| Power Input | 24 V DC (Range: 19.2 - 30 V DC) |
| 5V Bus Current Distribution | Max. 1.5 A |
| 24V Current Distribution | Max. 1.5 A |
| Typical Power Dissipation | 2.0 W |
| Rated Insulation Voltage | 50 V |
| Dielectric Test Voltage | 500 V AC |
| Acceptable Wire Sizes | Solid: 0.2 - 2.5 mm² Stranded: 0.2 - 2.5 mm² (corresponding to 24 - 12 AWG) Recommended Torque: 0.5 Nm |
| Power Supply Terminals | L+ (24V DC Input Positive), L- (0V DC Input Negative) |
| Power Monitoring Inputs | SA (Redundant Power Supply A Monitoring), SB (Redundant Power Supply B Monitoring) |
Table 3: TU841 Mechanical and Environmental Specifications
| Item | Specification |
|---|---|
| Mechanical Keys | 2 keys (4 positions), providing 36 combinations |
| Equipment Class | Class I according to IEC 60536 (earth protected) |
| Ingress Protection | IP20 (according to IEC 60529) |
| Operating Temperature | 0 °C to +55 °C (Certified range: +5 °C to +55 °C) |
| Storage Temperature | -40 °C to +70 °C |
| Relative Humidity | 5% to 95%, non-condensing |
| Max. Ambient Temperature | 55 °C (40 °C for vertical mounting) |
| Mounting Method | Vertical or horizontal mounting on standard DIN rail |
| Width (W) | 124 mm (4.88 inches) |
| Height (H) | 186 mm (7.32 inches) (including latch) |
| Depth (D) | 47 mm (1.85 inches) |
| Weight | 0.45 kg (0.99 lbs) |
Table 4: TU841 Compliance and Certifications
| Certification / Standard Category | Details |
|---|---|
| CE Marking | Yes |
| Electrical Safety | EN 61010-1, UL 61010-1, EN 61010-2-201, UL 61010-2-201 |
| Hazardous Location Certification | cULus for Class 1 Zone 2 Hazardous Locations, ATEX Zone 2 |
| Marine Certifications | ABS, BV, DNV-GL, LR |
| Environmental Compliance | RoHS: Compliant with DIRECTIVE 2011/65/EU (EN 50581:2012) WEEE: Compliant with DIRECTIVE 2012/19/EU |
Table 1: TU841 General Specifications
| Item | Specification |
|---|---|
| Product Model | TU841 |
| Article Number | 3BSE020848R11 |
| Product Type | Module Termination Unit (MTU) for Redundant TB840/TB840A and Non-Redundant I/O |
| Communication Protocol | ModuleBus |
| Master/Slave Role | Not Applicable (Passive Unit) |
| Line Redundancy | Yes (Supports dual TB840A modem redundancy) |
| I/O Redundancy | No (Connects to non-redundant I/O) |
| Power Supply Redundancy | Single power input (redundant power status can be monitored) |
| Hot Swap Support | No |
Table 2: TU841 Electrical Specifications
| Item | Specification |
|---|---|
| Power Input | 24 V DC (Range: 19.2 - 30 V DC) |
| 5V Bus Current Distribution | Max. 1.5 A |
| 24V Current Distribution | Max. 1.5 A |
| Typical Power Dissipation | 2.0 W |
| Rated Insulation Voltage | 50 V |
| Dielectric Test Voltage | 500 V AC |
| Acceptable Wire Sizes | Solid: 0.2 - 2.5 mm² Stranded: 0.2 - 2.5 mm² (corresponding to 24 - 12 AWG) Recommended Torque: 0.5 Nm |
| Power Supply Terminals | L+ (24V DC Input Positive), L- (0V DC Input Negative) |
| Power Monitoring Inputs | SA (Redundant Power Supply A Monitoring), SB (Redundant Power Supply B Monitoring) |
Table 3: TU841 Mechanical and Environmental Specifications
| Item | Specification |
|---|---|
| Mechanical Keys | 2 keys (4 positions), providing 36 combinations |
| Equipment Class | Class I according to IEC 60536 (earth protected) |
| Ingress Protection | IP20 (according to IEC 60529) |
| Operating Temperature | 0 °C to +55 °C (Certified range: +5 °C to +55 °C) |
| Storage Temperature | -40 °C to +70 °C |
| Relative Humidity | 5% to 95%, non-condensing |
| Max. Ambient Temperature | 55 °C (40 °C for vertical mounting) |
| Mounting Method | Vertical or horizontal mounting on standard DIN rail |
| Width (W) | 124 mm (4.88 inches) |
| Height (H) | 186 mm (7.32 inches) (including latch) |
| Depth (D) | 47 mm (1.85 inches) |
| Weight | 0.45 kg (0.99 lbs) |
Table 4: TU841 Compliance and Certifications
| Certification / Standard Category | Details |
|---|---|
| CE Marking | Yes |
| Electrical Safety | EN 61010-1, UL 61010-1, EN 61010-2-201, UL 61010-2-201 |
| Hazardous Location Certification | cULus for Class 1 Zone 2 Hazardous Locations, ATEX Zone 2 |
| Marine Certifications | ABS, BV, DNV-GL, LR |
| Environmental Compliance | RoHS: Compliant with DIRECTIVE 2011/65/EU (EN 50581:2012) WEEE: Compliant with DIRECTIVE 2012/19/EU |





