GE
IS200TAMBH1A
$5000
In Stock
T/T
Xiamen
| Availability: | |
|---|---|
| Quantity: | |
The IS200TAMBH1A, known as the TAMB Acoustic Monitoring Terminal Board, is a core front-end interface component within the General Electric (GE) Mark VI Gas Turbine Control System's acoustic monitoring subsystem. It serves as the critical bridge between the IS215VAMB VME Acoustic Monitoring Main Processing Board and field acoustic/dynamic pressure sensors. It is specifically designed for high-precision, high-reliability, and high-noise-immunity sensor signal interfacing and primary conditioning. This terminal board represents the physical interface layer of GE's acoustic monitoring solution, directly interfacing with various industrial-grade vibration and dynamic pressure sensors. It is responsible for providing stable power, performing signal protection and conditioning, enabling sensor type adaptation, and safely transmitting clean differential signals to the backend VAMB main card for digitization and advanced analysis.
In gas turbine combustion stability monitoring applications, sensors (e.g., accelerometers, dynamic pressure transmitters) are directly exposed to harsh environments characterized by high temperatures and vibration. Their weak charge or millivolt-level output signals are highly susceptible to on-site electromagnetic interference, line losses, and common-mode noise. The core value of the IS200TAMB lies in addressing this "last mile" signal integrity challenge. Through professional circuit design, it provides isolated, protected power and high-quality signal conditioning channels for each sensor, ensuring that the key dynamic pressure signals reflecting combustion state can be captured faithfully and without distortion throughout the entire chain from the sensor probe to the control system.
This terminal board is renowned for its excellent compatibility. It natively supports multiple models from various major third-party sensor vendors, including Bently-Nevada, Vibro-meter, PCB Piezotronics, GE PS CCSA, and GE/Reuter-Stokes. Through flexible hardware jumpers and software configuration, it meets the requirements of different wiring methods (e.g., 3-wire, 4-wire) and signal types (charge amplifier voltage output, 4-20mA current loop).
2. Product Positioning and Role in System Architecture
Within the two-tier architecture formed by the IS215VAMB main card and the IS200TAMBH1A terminal board, the TAMB plays an irreplaceable role as the "Signal Guardian" and "Power Station":
Signal Interface Gateway: It is the unified physical connection point for all field acoustic sensors. Sensor cables connect directly to the TAMB's 48-pin customer terminal strip, simplifying field wiring and enhancing system organization and maintainability.
Dedicated Power Supplier: Provides precise, stable, and current-limited isolated power (+24V DC or -24V DC) for active sensors or charge amplifiers, eliminating ground loop and compatibility issues associated with using external power supplies.
Primary Signal Conditioner: Performs crucial front-end conditioning before signals reach the expensive VAMB main card, including:
EMI/RFI Suppression: Integrated transient voltage suppression and filtering circuits protect the backend system from damage caused by on-site electromagnetic pulses and radio frequency interference.
Open Circuit Detection & Bias Management: Provides programmable DC bias voltage for automatic diagnosis of open-circuit faults in sensors or cables.
Input Type Adaptation: Configures channels for high-impedance voltage input or current input with a 250Ω burden resistor via jumpers.
Diagnostic and Test Access Point: Each channel provides a buffered BNC test output, allowing maintenance personnel to monitor raw signal quality online using tools like oscilloscopes without interrupting system operation, greatly facilitating troubleshooting and system debugging.
A complete acoustic monitoring system may include 1 or 2 TAMB terminal boards (depending on the number of monitoring channels), connected to one IS215VAMB main card via dedicated multi-pair twisted-pair shielded cables. For example, a Frame 7FA gas turbine typically uses 2 TAMB boards (providing 18 channels) to monitor the dynamic pressure of 14 combustor cans.
3. Core Functions and Detailed Hardware Design
The IS200TAMBH1A is a high-density, highly functional integrated terminal board. Its core functions revolve around its 9 completely independent signal channels (per board). The following is a detailed analysis of its hardware design:
3.1 Channel Architecture
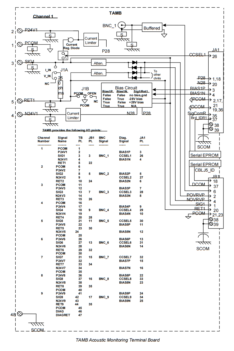
Each channel (using Channel 1 as an example, see the attached diagram) is a complete signal conditioning unit containing the following key sub-modules:
Power Output Circuit: Provides two independent isolated power outputs:
P24Vx: Configurable in Current-Limit Mode (to power charge amplifiers like the Vibro-meter IPC series that require regulated voltage) or Constant Current Mode (selected via the CCSELx signal, to power sensors like PCB that require constant current excitation).
N24Vx: Provides a negative voltage power output, primarily used to support sensors like Bently-Nevada that require a negative operating voltage.
The return paths for both power supplies are connected to PCOM (Power Common), achieving isolation for sensor power.
Signal Input and Conditioning Path:
Even-numbered Jumpers (JP2, JP4...JP18): Used to select the input type. Placing the jumper in the V_IN position connects SIGx directly to a high-impedance amplifier. Placing it in the L_IN position connects a precision 250Ω Metal Film Burden Resistor to the SIGx line, converting a 4-20mA current signal into a 1-5V voltage signal for connecting current-output devices.
Odd-numbered Jumpers (JP1, JP3...JP17): Used to configure the grounding strategy for the signal return line RETx. Placing the jumper on PCOM connects RETx to the onboard power ground; placing it on OPEN leaves it floating. Correctly setting this jumper is crucial for implementing a 4-wire connection (separating sensor power ground from signal ground) to achieve optimal noise performance.
Differential Input Pair: Receives the differential signal pair from the sensor: SIGx (signal side) and RETx (return/reference side). This design effectively suppresses common-mode noise.
Jumper Selection Network (JPx):
Bias Control Circuit: Receives two TTL control signals from the VAMB main card: BIASxP and BIASxN. Based on their Boolean combination (True/False), a +28V, -28V bias voltage can be applied to the SIGx and RETx lines, or they can be pulled to ground potential. This function is primarily used for open circuit detection: the system periodically applies a known bias and judges the integrity of the sensor connection by measuring the loop response.
Protection and Filtering Circuit: Includes transient suppression diodes, RC filter networks, etc., used to clamp high-voltage spikes and filter out high-frequency interference.
Buffered BNC Output: The signal from each channel, after primary conditioning (and removal of the applied DC bias), is sent to a unity-gain (Gain=1), high-input-impedance, low-output-impedance buffer amplifier, ultimately driving a standard BNC connector. This output is a "mirror" of the signal for testing and diagnostics.
3.2 Terminal Strip and Connectors
48-Pin Customer Terminal Strip (TB): This is the interface for connecting field sensors. The pin definitions are clear (detailed in Section 5), with every 5 pins as a group corresponding to one channel's PCOM, P24Vx, SIGx, N24Vx, RETx. This regular design facilitates wiring and tracing.
Internal Connectors (JA1, JB1, etc.): Used to connect the onboard serial EPROM (storing ID information) and the high-speed differential signal cable to the VAMB main card. This cable contains 18 twisted-pair shielded wires, ensuring all channel signals are transmitted to the main card synchronously and with low noise.
3.3 Onboard Identification and Diagnostics
The TAMB terminal board integrates a serial EEPROM memory that stores a unique Terminal Board ID, including:
Serial Number
Board Type (TAMB)
Revision Number
Connected Rack/Slot Location Identifier (JR, JS, JT)
During system power-up, the VAMB main card reads and verifies this ID, ensuring the correct model of the terminal board is connected and preventing configuration errors due to cross-cabling. This is an important guarantee of system reliability.
4. Installation, Jumper Settings, and Configuration Guide
4.1 Installation Key Points
Professional Installation: Installation is recommended to be performed by GE field service engineers or trained technicians, following manual GII-100014.
Correct Rack Mounting: TAMB terminal boards are typically installed in dedicated terminal board units within the Mark VI I/O rack.
Cable Connections: Be sure to use the specified high-quality multi-pair twisted-pair shielded cable to connect the TAMB to the VAMB main card, and ensure connectors (e.g., 37-pin) are locked. Incorrect cables or loose connections can cause degraded signal quality or ID read failures.
Grounding: Ensure the rack and system are properly grounded. The SCOM (Shield Common) terminal should be connected to the cabinet ground as specified to optimize noise rejection.
4.2 Detailed Jumper Settings (Core Steps)
Jumper settings are a prerequisite for the correct operation of the IS200TAMBH1A and must be performed strictly according to the "TAMB Jumper Settings" table in the manual, based on the actual connected sensor vendor and model. The setting logic is as follows:
Identify Sensor Model and Wiring Method: First, clarify the sensor brand (e.g., Bently-Nevada 350500), model, and recommended wiring method (3-wire or 4-wire). The 4-wire method (separating power ground from signal ground) usually provides better noise performance.
Set Even-numbered Jumpers (Input Type):
For most charge amplifiers providing voltage output (Bently-Nevada, Vibro-meter, GE CCSA), set the jumper to V_IN.
For specific current-output devices like GE/Reuter-Stokes flame detectors, set the jumper to L_IN.
Set Odd-numbered Jumpers (RETx Grounding):
If using the 3-wire connection method (sensor signal ground and power ground are already connected at the sensor end or within the cable), set the odd-numbered jumper to PCOM, grounding RETx at the terminal board end.
If using the 4-wire connection method (signal ground and power ground are completely isolated), set the odd-numbered jumper to OPEN, keeping RETx floating to achieve true differential measurement.
Example: For a Bently-Nevada 350500 sensor using the 4-wire method, set the odd jumper to OPEN; when using the 3-wire method, set it to PCOM.
4.3 Software Configuration Coordination
When configuring the VAMB board in the GE ToolboxST software, ensure the software settings are consistent with the IS200TAMBH1A hardware jumpers:
InputUse Parameter: Select the corresponding sensor brand (e.g., "Bently-Nevada").
CCSel Parameter: Enable this parameter if the sensor requires constant current excitation (e.g., PCB sensors).
BiasLevel Parameter: Configure the bias mode consistent with the hardware bias circuit.
Correct matching between software and hardware is the foundation for the system to implement advanced diagnostic functions such as automatic open-circuit detection and sensor limit checking.
5. Detailed Terminal Strip Pin Definitions
The 48-pin terminal strip of the IS200TAMBH1A is the blueprint for sensor connection. Its pin arrangement is highly regular, with every 5 pins (with few exceptions) corresponding to one complete channel interface. The following table organizes all pin definitions:
| Signal Name | Pin # | Description (48-pin Customer Terminal Points) |
|---|---|---|
| PCOM | 1 | Channel 1: Return for either the P24V or N24V supply. |
| P24V1 | 2 | Channel 1: +24 V output feed for input #1’s charge amplifier (used with Vibro-meter equipment). |
| SIG1 | 3 | Channel 1: Dynamic pressure differential voltage input #1 signal side. |
| N24V1 | 4 | Channel 1: -24 V output feed for input #1’s charge amplifier (used with Bently-Nevada equipment). |
| RET1 | 5 | Channel 1: Dynamic pressure differential voltage input #1 return. |
| PCOM | 6 | Channel 2: Power supply return. |
| P24V2 | 7 | Channel 2: +24 V output feed. |
| SIG2 | 8 | Channel 2: Dynamic pressure differential voltage input #2 signal side. |
| N24V2 | 9 | Channel 2: -24 V output feed. |
| RET2 | 10 | Channel 2: Dynamic pressure differential voltage input #2 return. |
| PCOM | 11 | Channel 3: Power supply return. |
| P24V3 | 12 | Channel 3: +24 V output feed. |
| SIG3 | 13 | Channel 3: Dynamic pressure differential voltage input #3 signal side. |
| N24V3 | 14 | Channel 3: -24 V output feed. |
| RET3 | 15 | Channel 3: Dynamic pressure differential voltage input #3 return. |
| PCOM | 16 | Channel 4: Power supply return. |
| P24V4 | 17 | Channel 4: +24 V output feed. |
| SIG4 | 18 | Channel 4: Dynamic pressure differential voltage input #4 signal side. |
| N24V4 | 19 | Channel 4: -24 V output feed. |
| RET4 | 20 | Channel 4: Dynamic pressure differential voltage input #4 return. |
| SIG5 | 21 | Channel 5: Dynamic pressure differential voltage input #5 signal side. |
| P24V5 | 22 | Channel 5: +24 V output feed. |
| RET5 | 23 | Channel 5: Dynamic pressure differential voltage input #5 return. |
| N24V5 | 24 | Channel 5: -24 V output feed. |
| PCOM | 25 | Channel 5: Power supply return. |
| P24V6 | 26 | Channel 6: +24 V output feed. |
| SIG6 | 27 | Channel 6: Dynamic pressure differential voltage input #6 signal side. |
| N24V6 | 28 | Channel 6: -24 V output feed. |
| RET6 | 29 | Channel 6: Dynamic pressure differential voltage input #6 return. |
| PCOM | 30 | Channel 6: Power supply return. |
| SIG7 | 31 | Channel 7: Dynamic pressure differential voltage input #7 signal side. |
| P24V7 | 32 | Channel 7: +24 V output feed. |
| RET7 | 33 | Channel 7: Dynamic pressure differential voltage input #7 return. |
| N24V7 | 34 | Channel 7: -24 V output feed. |
| PCOM | 35 | Channel 7: Power supply return. |
| P24V8 | 36 | Channel 8: +24 V output feed. |
| SIG8 | 37 | Channel 8: Dynamic pressure differential voltage input #8 signal side. |
| N24V8 | 38 | Channel 8: -24 V output feed. |
| RET8 | 39 | Channel 8: Dynamic pressure differential voltage input #8 return. |
| PCOM | 40 | Channel 8: Power supply return. |
| P24V9 | 41 | Channel 9: +24 V output feed. |
| SIG9 | 42 | Channel 9: Dynamic pressure differential voltage input #9 signal side. |
| N24V9 | 43 | Channel 9: -24 V output feed. |
| RET9 | 44 | Channel 9: Dynamic pressure differential voltage input #9 return. |
| PCOM | 45 | Common: Power supply return. |
| DIAG | 46 | Diagnostic DAC output. |
| DIAGRET | 47 | Return for diagnostic DAC output. |
| SCOM | 48 | Shield ground. |
6. Typical Applications and Troubleshooting
6.1 Typical Application Connection Example
Example: Connecting a Bently-Nevada 350500 accelerometer with its charge amplifier (using the recommended 4-wire method):
Jumper Settings: For that channel, set the even-numbered jumper to V_IN and the odd-numbered jumper to OPEN.
Terminal Connections:
Charge amplifier +OUT to TAMB SIGx.
Charge amplifier -OUT/COM to TAMB RETx.
Charge amplifier -VT (negative power) to TAMB N24Vx.
Charge amplifier COM (power ground) to TAMB PCOM (any PCOM point, as they are interconnected on the board).
P24Vx pin is left unconnected (NC).
Software Configuration: In ToolboxST, set the corresponding channel's InputUse to "Bently-Nevada".
6.2 Common Faults and Handling
Symptom: VAMB reports "Incorrect Terminal Board ID" or "JA1-JB1 TB IDs do not match".
Possible Cause: Terminal board cable not fully seated, damaged cable, faulty terminal board, or cross-cabling.
Action: Check and reseat the cable; check cable continuity with a multimeter; replace cable or terminal board.
Symptom: Specific channel reports "Open Ckt Test Failed".
Possible Cause: Failed sensor, broken sensor cable, loose connection at TAMB terminal, or faulty bias circuit on that channel.
Action: Check for signal presence using the BNC output; verify sensor power and wiring; review TAMB jumper settings.
Symptom: Excessive signal noise or inaccurate measurement.
Possible Cause: Poor shield cable grounding (SCOM), incorrect RETx jumper setting (should use 4-wire OPEN), strong on-site EMI, or faulty sensor.
Action: Ensure SCOM is reliably grounded; review and correct jumper settings; observe signal waveform via BNC output to locate interference source.
The IS200TAMBH1A, known as the TAMB Acoustic Monitoring Terminal Board, is a core front-end interface component within the General Electric (GE) Mark VI Gas Turbine Control System's acoustic monitoring subsystem. It serves as the critical bridge between the IS215VAMB VME Acoustic Monitoring Main Processing Board and field acoustic/dynamic pressure sensors. It is specifically designed for high-precision, high-reliability, and high-noise-immunity sensor signal interfacing and primary conditioning. This terminal board represents the physical interface layer of GE's acoustic monitoring solution, directly interfacing with various industrial-grade vibration and dynamic pressure sensors. It is responsible for providing stable power, performing signal protection and conditioning, enabling sensor type adaptation, and safely transmitting clean differential signals to the backend VAMB main card for digitization and advanced analysis.
In gas turbine combustion stability monitoring applications, sensors (e.g., accelerometers, dynamic pressure transmitters) are directly exposed to harsh environments characterized by high temperatures and vibration. Their weak charge or millivolt-level output signals are highly susceptible to on-site electromagnetic interference, line losses, and common-mode noise. The core value of the IS200TAMB lies in addressing this "last mile" signal integrity challenge. Through professional circuit design, it provides isolated, protected power and high-quality signal conditioning channels for each sensor, ensuring that the key dynamic pressure signals reflecting combustion state can be captured faithfully and without distortion throughout the entire chain from the sensor probe to the control system.
This terminal board is renowned for its excellent compatibility. It natively supports multiple models from various major third-party sensor vendors, including Bently-Nevada, Vibro-meter, PCB Piezotronics, GE PS CCSA, and GE/Reuter-Stokes. Through flexible hardware jumpers and software configuration, it meets the requirements of different wiring methods (e.g., 3-wire, 4-wire) and signal types (charge amplifier voltage output, 4-20mA current loop).
2. Product Positioning and Role in System Architecture
Within the two-tier architecture formed by the IS215VAMB main card and the IS200TAMBH1A terminal board, the TAMB plays an irreplaceable role as the "Signal Guardian" and "Power Station":
Signal Interface Gateway: It is the unified physical connection point for all field acoustic sensors. Sensor cables connect directly to the TAMB's 48-pin customer terminal strip, simplifying field wiring and enhancing system organization and maintainability.
Dedicated Power Supplier: Provides precise, stable, and current-limited isolated power (+24V DC or -24V DC) for active sensors or charge amplifiers, eliminating ground loop and compatibility issues associated with using external power supplies.
Primary Signal Conditioner: Performs crucial front-end conditioning before signals reach the expensive VAMB main card, including:
EMI/RFI Suppression: Integrated transient voltage suppression and filtering circuits protect the backend system from damage caused by on-site electromagnetic pulses and radio frequency interference.
Open Circuit Detection & Bias Management: Provides programmable DC bias voltage for automatic diagnosis of open-circuit faults in sensors or cables.
Input Type Adaptation: Configures channels for high-impedance voltage input or current input with a 250Ω burden resistor via jumpers.
Diagnostic and Test Access Point: Each channel provides a buffered BNC test output, allowing maintenance personnel to monitor raw signal quality online using tools like oscilloscopes without interrupting system operation, greatly facilitating troubleshooting and system debugging.
A complete acoustic monitoring system may include 1 or 2 TAMB terminal boards (depending on the number of monitoring channels), connected to one IS215VAMB main card via dedicated multi-pair twisted-pair shielded cables. For example, a Frame 7FA gas turbine typically uses 2 TAMB boards (providing 18 channels) to monitor the dynamic pressure of 14 combustor cans.
3. Core Functions and Detailed Hardware Design
The IS200TAMBH1A is a high-density, highly functional integrated terminal board. Its core functions revolve around its 9 completely independent signal channels (per board). The following is a detailed analysis of its hardware design:
3.1 Channel Architecture
Each channel (using Channel 1 as an example, see the attached diagram) is a complete signal conditioning unit containing the following key sub-modules:
Power Output Circuit: Provides two independent isolated power outputs:
P24Vx: Configurable in Current-Limit Mode (to power charge amplifiers like the Vibro-meter IPC series that require regulated voltage) or Constant Current Mode (selected via the CCSELx signal, to power sensors like PCB that require constant current excitation).
N24Vx: Provides a negative voltage power output, primarily used to support sensors like Bently-Nevada that require a negative operating voltage.
The return paths for both power supplies are connected to PCOM (Power Common), achieving isolation for sensor power.
Signal Input and Conditioning Path:
Even-numbered Jumpers (JP2, JP4...JP18): Used to select the input type. Placing the jumper in the V_IN position connects SIGx directly to a high-impedance amplifier. Placing it in the L_IN position connects a precision 250Ω Metal Film Burden Resistor to the SIGx line, converting a 4-20mA current signal into a 1-5V voltage signal for connecting current-output devices.
Odd-numbered Jumpers (JP1, JP3...JP17): Used to configure the grounding strategy for the signal return line RETx. Placing the jumper on PCOM connects RETx to the onboard power ground; placing it on OPEN leaves it floating. Correctly setting this jumper is crucial for implementing a 4-wire connection (separating sensor power ground from signal ground) to achieve optimal noise performance.
Differential Input Pair: Receives the differential signal pair from the sensor: SIGx (signal side) and RETx (return/reference side). This design effectively suppresses common-mode noise.
Jumper Selection Network (JPx):
Bias Control Circuit: Receives two TTL control signals from the VAMB main card: BIASxP and BIASxN. Based on their Boolean combination (True/False), a +28V, -28V bias voltage can be applied to the SIGx and RETx lines, or they can be pulled to ground potential. This function is primarily used for open circuit detection: the system periodically applies a known bias and judges the integrity of the sensor connection by measuring the loop response.
Protection and Filtering Circuit: Includes transient suppression diodes, RC filter networks, etc., used to clamp high-voltage spikes and filter out high-frequency interference.
Buffered BNC Output: The signal from each channel, after primary conditioning (and removal of the applied DC bias), is sent to a unity-gain (Gain=1), high-input-impedance, low-output-impedance buffer amplifier, ultimately driving a standard BNC connector. This output is a "mirror" of the signal for testing and diagnostics.
3.2 Terminal Strip and Connectors
48-Pin Customer Terminal Strip (TB): This is the interface for connecting field sensors. The pin definitions are clear (detailed in Section 5), with every 5 pins as a group corresponding to one channel's PCOM, P24Vx, SIGx, N24Vx, RETx. This regular design facilitates wiring and tracing.
Internal Connectors (JA1, JB1, etc.): Used to connect the onboard serial EPROM (storing ID information) and the high-speed differential signal cable to the VAMB main card. This cable contains 18 twisted-pair shielded wires, ensuring all channel signals are transmitted to the main card synchronously and with low noise.
3.3 Onboard Identification and Diagnostics
The TAMB terminal board integrates a serial EEPROM memory that stores a unique Terminal Board ID, including:
Serial Number
Board Type (TAMB)
Revision Number
Connected Rack/Slot Location Identifier (JR, JS, JT)
During system power-up, the VAMB main card reads and verifies this ID, ensuring the correct model of the terminal board is connected and preventing configuration errors due to cross-cabling. This is an important guarantee of system reliability.
4. Installation, Jumper Settings, and Configuration Guide
4.1 Installation Key Points
Professional Installation: Installation is recommended to be performed by GE field service engineers or trained technicians, following manual GII-100014.
Correct Rack Mounting: TAMB terminal boards are typically installed in dedicated terminal board units within the Mark VI I/O rack.
Cable Connections: Be sure to use the specified high-quality multi-pair twisted-pair shielded cable to connect the TAMB to the VAMB main card, and ensure connectors (e.g., 37-pin) are locked. Incorrect cables or loose connections can cause degraded signal quality or ID read failures.
Grounding: Ensure the rack and system are properly grounded. The SCOM (Shield Common) terminal should be connected to the cabinet ground as specified to optimize noise rejection.
4.2 Detailed Jumper Settings (Core Steps)
Jumper settings are a prerequisite for the correct operation of the IS200TAMBH1A and must be performed strictly according to the "TAMB Jumper Settings" table in the manual, based on the actual connected sensor vendor and model. The setting logic is as follows:
Identify Sensor Model and Wiring Method: First, clarify the sensor brand (e.g., Bently-Nevada 350500), model, and recommended wiring method (3-wire or 4-wire). The 4-wire method (separating power ground from signal ground) usually provides better noise performance.
Set Even-numbered Jumpers (Input Type):
For most charge amplifiers providing voltage output (Bently-Nevada, Vibro-meter, GE CCSA), set the jumper to V_IN.
For specific current-output devices like GE/Reuter-Stokes flame detectors, set the jumper to L_IN.
Set Odd-numbered Jumpers (RETx Grounding):
If using the 3-wire connection method (sensor signal ground and power ground are already connected at the sensor end or within the cable), set the odd-numbered jumper to PCOM, grounding RETx at the terminal board end.
If using the 4-wire connection method (signal ground and power ground are completely isolated), set the odd-numbered jumper to OPEN, keeping RETx floating to achieve true differential measurement.
Example: For a Bently-Nevada 350500 sensor using the 4-wire method, set the odd jumper to OPEN; when using the 3-wire method, set it to PCOM.
4.3 Software Configuration Coordination
When configuring the VAMB board in the GE ToolboxST software, ensure the software settings are consistent with the IS200TAMBH1A hardware jumpers:
InputUse Parameter: Select the corresponding sensor brand (e.g., "Bently-Nevada").
CCSel Parameter: Enable this parameter if the sensor requires constant current excitation (e.g., PCB sensors).
BiasLevel Parameter: Configure the bias mode consistent with the hardware bias circuit.
Correct matching between software and hardware is the foundation for the system to implement advanced diagnostic functions such as automatic open-circuit detection and sensor limit checking.
5. Detailed Terminal Strip Pin Definitions
The 48-pin terminal strip of the IS200TAMBH1A is the blueprint for sensor connection. Its pin arrangement is highly regular, with every 5 pins (with few exceptions) corresponding to one complete channel interface. The following table organizes all pin definitions:
| Signal Name | Pin # | Description (48-pin Customer Terminal Points) |
|---|---|---|
| PCOM | 1 | Channel 1: Return for either the P24V or N24V supply. |
| P24V1 | 2 | Channel 1: +24 V output feed for input #1’s charge amplifier (used with Vibro-meter equipment). |
| SIG1 | 3 | Channel 1: Dynamic pressure differential voltage input #1 signal side. |
| N24V1 | 4 | Channel 1: -24 V output feed for input #1’s charge amplifier (used with Bently-Nevada equipment). |
| RET1 | 5 | Channel 1: Dynamic pressure differential voltage input #1 return. |
| PCOM | 6 | Channel 2: Power supply return. |
| P24V2 | 7 | Channel 2: +24 V output feed. |
| SIG2 | 8 | Channel 2: Dynamic pressure differential voltage input #2 signal side. |
| N24V2 | 9 | Channel 2: -24 V output feed. |
| RET2 | 10 | Channel 2: Dynamic pressure differential voltage input #2 return. |
| PCOM | 11 | Channel 3: Power supply return. |
| P24V3 | 12 | Channel 3: +24 V output feed. |
| SIG3 | 13 | Channel 3: Dynamic pressure differential voltage input #3 signal side. |
| N24V3 | 14 | Channel 3: -24 V output feed. |
| RET3 | 15 | Channel 3: Dynamic pressure differential voltage input #3 return. |
| PCOM | 16 | Channel 4: Power supply return. |
| P24V4 | 17 | Channel 4: +24 V output feed. |
| SIG4 | 18 | Channel 4: Dynamic pressure differential voltage input #4 signal side. |
| N24V4 | 19 | Channel 4: -24 V output feed. |
| RET4 | 20 | Channel 4: Dynamic pressure differential voltage input #4 return. |
| SIG5 | 21 | Channel 5: Dynamic pressure differential voltage input #5 signal side. |
| P24V5 | 22 | Channel 5: +24 V output feed. |
| RET5 | 23 | Channel 5: Dynamic pressure differential voltage input #5 return. |
| N24V5 | 24 | Channel 5: -24 V output feed. |
| PCOM | 25 | Channel 5: Power supply return. |
| P24V6 | 26 | Channel 6: +24 V output feed. |
| SIG6 | 27 | Channel 6: Dynamic pressure differential voltage input #6 signal side. |
| N24V6 | 28 | Channel 6: -24 V output feed. |
| RET6 | 29 | Channel 6: Dynamic pressure differential voltage input #6 return. |
| PCOM | 30 | Channel 6: Power supply return. |
| SIG7 | 31 | Channel 7: Dynamic pressure differential voltage input #7 signal side. |
| P24V7 | 32 | Channel 7: +24 V output feed. |
| RET7 | 33 | Channel 7: Dynamic pressure differential voltage input #7 return. |
| N24V7 | 34 | Channel 7: -24 V output feed. |
| PCOM | 35 | Channel 7: Power supply return. |
| P24V8 | 36 | Channel 8: +24 V output feed. |
| SIG8 | 37 | Channel 8: Dynamic pressure differential voltage input #8 signal side. |
| N24V8 | 38 | Channel 8: -24 V output feed. |
| RET8 | 39 | Channel 8: Dynamic pressure differential voltage input #8 return. |
| PCOM | 40 | Channel 8: Power supply return. |
| P24V9 | 41 | Channel 9: +24 V output feed. |
| SIG9 | 42 | Channel 9: Dynamic pressure differential voltage input #9 signal side. |
| N24V9 | 43 | Channel 9: -24 V output feed. |
| RET9 | 44 | Channel 9: Dynamic pressure differential voltage input #9 return. |
| PCOM | 45 | Common: Power supply return. |
| DIAG | 46 | Diagnostic DAC output. |
| DIAGRET | 47 | Return for diagnostic DAC output. |
| SCOM | 48 | Shield ground. |
6. Typical Applications and Troubleshooting
6.1 Typical Application Connection Example
Example: Connecting a Bently-Nevada 350500 accelerometer with its charge amplifier (using the recommended 4-wire method):
Jumper Settings: For that channel, set the even-numbered jumper to V_IN and the odd-numbered jumper to OPEN.
Terminal Connections:
Charge amplifier +OUT to TAMB SIGx.
Charge amplifier -OUT/COM to TAMB RETx.
Charge amplifier -VT (negative power) to TAMB N24Vx.
Charge amplifier COM (power ground) to TAMB PCOM (any PCOM point, as they are interconnected on the board).
P24Vx pin is left unconnected (NC).
Software Configuration: In ToolboxST, set the corresponding channel's InputUse to "Bently-Nevada".
6.2 Common Faults and Handling
Symptom: VAMB reports "Incorrect Terminal Board ID" or "JA1-JB1 TB IDs do not match".
Possible Cause: Terminal board cable not fully seated, damaged cable, faulty terminal board, or cross-cabling.
Action: Check and reseat the cable; check cable continuity with a multimeter; replace cable or terminal board.
Symptom: Specific channel reports "Open Ckt Test Failed".
Possible Cause: Failed sensor, broken sensor cable, loose connection at TAMB terminal, or faulty bias circuit on that channel.
Action: Check for signal presence using the BNC output; verify sensor power and wiring; review TAMB jumper settings.
Symptom: Excessive signal noise or inaccurate measurement.
Possible Cause: Poor shield cable grounding (SCOM), incorrect RETx jumper setting (should use 4-wire OPEN), strong on-site EMI, or faulty sensor.
Action: Ensure SCOM is reliably grounded; review and correct jumper settings; observe signal waveform via BNC output to locate interference source.
| Category | Specification | Details / Limits |
|---|---|---|
| General | Number of Channels per Board | 9 completely independent signal conditioning and power supply channels. |
| Supported Sensor Vendors | Bently-Nevada, Vibro-meter, PCB Piezotronics, GE PS CCSA, GE/Reuter-Stokes, others. | |
| Power Supply Outputs (per channel) | P24V (Current-Limit Mode) | Quantity: 9 (one per channel). Voltage: +22.8 to +25.2 V DC. Nominal Current: 44 mA ±10%. Min/Max Peak Current Range: 20 – 60 mA. |
| P24V (Constant Current Mode) | Quantity: 9 (selectable per channel via CCSELx).Voltage: +20 to +30 V DC. Constant Current: 3.5 mA ±10%. Control Input Type: TTL. TRUE State Logic Level: High. | |
| N24V (Current-Limited) | Quantity: 9 (one per channel). Voltage: -18.85 to -26 V DC. Nominal Current: 20 mA. Maximum Load Current: 30 mA. | |
| Signal Input (per channel) | Input Type | Differential voltage. Configurable via jumpers. |
| Jumper Selection (Even JP: JP2,4...18) | V_IN: High-impedance voltage input.L_IN: Current input with a 250Ω ±1% metal film burden resistor (for 4-20mA signals). | |
| Jumper Selection (Odd JP: JP1,3...17) | PCOM: Connects the signal return line (RETx) to Power Common.OPEN: Leaves the signal return line (RETx) floating (for 4-wire diff. measurement). | |
| Bias Control | Controlled by BIASxP/BIASxN TTL signals from VAMB. Options: +28V, -28V, or ground (no bias). Used for open-circuit detection.DC error introduced to dynamic signal: < 0.5%. | |
| Open-Circuit Detection | Supported via applied DC bias voltage. | |
| Test / Diagnostic Output (per channel) | Buffered BNC Output | Quantity: 9 (one per channel). DC Gain (DC bias removed): 1 ±0.5%. Allowable Offset: 30 mV ±10%. Output Impedance: 40 Ω ±50%. |
| Connectors & Interfaces | Field Connection | 48-pin pluggable screw terminal block. |
| To VAMB Main Card | High-density connector for multi-pair twisted-pair shielded cable. | |
| Factory Test (QC) | 25-pin D-shell connector (J6). | |
| Diagnostic Output | BNC connectors (one per channel). | |
| Onboard Identification | Storage | Serial EPROM. |
| Information Stored | Terminal Board Serial Number, Board Type, Revision Number, JR/JS/JT Connector Location. | |
| Purpose | Verified by VAMB main card during power-up for configuration integrity and anti-cross-cabling. | |
| Physical/Environmental | Mounting | Designed for Mark VI I/O rack terminal board units. |
| Operating Environment | Standard industrial control room conditions. |
| Category | Specification | Details / Limits |
|---|---|---|
| General | Number of Channels per Board | 9 completely independent signal conditioning and power supply channels. |
| Supported Sensor Vendors | Bently-Nevada, Vibro-meter, PCB Piezotronics, GE PS CCSA, GE/Reuter-Stokes, others. | |
| Power Supply Outputs (per channel) | P24V (Current-Limit Mode) | Quantity: 9 (one per channel). Voltage: +22.8 to +25.2 V DC. Nominal Current: 44 mA ±10%. Min/Max Peak Current Range: 20 – 60 mA. |
| P24V (Constant Current Mode) | Quantity: 9 (selectable per channel via CCSELx).Voltage: +20 to +30 V DC. Constant Current: 3.5 mA ±10%. Control Input Type: TTL. TRUE State Logic Level: High. | |
| N24V (Current-Limited) | Quantity: 9 (one per channel). Voltage: -18.85 to -26 V DC. Nominal Current: 20 mA. Maximum Load Current: 30 mA. | |
| Signal Input (per channel) | Input Type | Differential voltage. Configurable via jumpers. |
| Jumper Selection (Even JP: JP2,4...18) | V_IN: High-impedance voltage input.L_IN: Current input with a 250Ω ±1% metal film burden resistor (for 4-20mA signals). | |
| Jumper Selection (Odd JP: JP1,3...17) | PCOM: Connects the signal return line (RETx) to Power Common.OPEN: Leaves the signal return line (RETx) floating (for 4-wire diff. measurement). | |
| Bias Control | Controlled by BIASxP/BIASxN TTL signals from VAMB. Options: +28V, -28V, or ground (no bias). Used for open-circuit detection.DC error introduced to dynamic signal: < 0.5%. | |
| Open-Circuit Detection | Supported via applied DC bias voltage. | |
| Test / Diagnostic Output (per channel) | Buffered BNC Output | Quantity: 9 (one per channel). DC Gain (DC bias removed): 1 ±0.5%. Allowable Offset: 30 mV ±10%. Output Impedance: 40 Ω ±50%. |
| Connectors & Interfaces | Field Connection | 48-pin pluggable screw terminal block. |
| To VAMB Main Card | High-density connector for multi-pair twisted-pair shielded cable. | |
| Factory Test (QC) | 25-pin D-shell connector (J6). | |
| Diagnostic Output | BNC connectors (one per channel). | |
| Onboard Identification | Storage | Serial EPROM. |
| Information Stored | Terminal Board Serial Number, Board Type, Revision Number, JR/JS/JT Connector Location. | |
| Purpose | Verified by VAMB main card during power-up for configuration integrity and anti-cross-cabling. | |
| Physical/Environmental | Mounting | Designed for Mark VI I/O rack terminal board units. |
| Operating Environment | Standard industrial control room conditions. |

