GE
IS200VAICH1D
$1700
In Stock
T/T
Xiamen
| Availability: | |
|---|---|
| Quantity: | |
IS200VAICH1D is a high-performance analog input/output board for the GE Mark VI gas turbine control system, representing the latest generation of the VAIC (Analog Input/Output) series. This board is specifically designed for industrial process control and turbine monitoring, featuring high precision, high reliability, and strong anti-interference capabilities. It is suitable for various demanding environments including gas turbines, steam turbines, compressors, and other critical industrial processes.
IS200VAICH1D maintains the core architecture of previous generations while introducing important upgrades in output drive capability, compatibility, and system integration. The board supports 20 analog inputs and 4 analog outputs, connecting to field sensors and actuators via two terminal boards (TBAI) for signal acquisition and output control. A key feature is its support for Triple Modular Redundancy (TMR) configuration, significantly enhancing system safety and availability for applications requiring extremely high reliability.
IS200VAICH1D optimizes the output stage's voltage drive capability, providing up to 18 V at the terminal board screw terminals. This enables the board to drive larger load resistances in long-distance cable transmission scenarios. Specifically, IS200VAICH1D can support up to 800 Ω load resistance when outputting 20 mA current (with margin when using 1000 ft of #18 gauge wire). In comparison, earlier versions (such as VAICH1C and prior) only supported 500 Ω loads. This improvement significantly extends its applicability in large-scale industrial sites.
Terminal Board Requirements: IS200VAICH1D must be used with TBAIH1C or later terminal boards, and is also compatible with all versions of STAI terminal boards. It is not recommended to use with earlier TBAIH1B or prior versions to avoid performance or compatibility issues.
Forward Compatibility: For input processing, signal conditioning, and diagnostic functions, VAICH1D is fully compatible with existing system configurations and programming interfaces, facilitating upgrades of existing systems.
ID Recognition Function: Terminal boards have built-in ID chips. IS200VAICH1D can automatically read their serial numbers, board type, revision, and connector location information, enabling hardware compatibility self-checking and preventing configuration errors.
IS200VAICH1D fully supports TMR architecture, enabling:
Input Signal Median Selection: Field input signals are fanned out to three independent VME racks (R, S, T). Each VAIC board in each rack performs independent A/D conversion, and the system uses median selection logic for the final output.
Output Current Voting and Fault Tolerance: Three VAIC boards jointly drive the same output circuit. Output currents generated by each board are sampled via series resistors and fed back to each board for real-time comparison. The system uses median selection for the final output and continuously monitors differences between board outputs. When a single board fails, a dedicated "suicide relay" disconnects it from the output circuit, while the remaining two boards automatically take over and maintain the correct output current, achieving seamless fault tolerance.
IS200VAICH1D firmware includes specialized compressor stall detection for gas turbines, sampling and analyzing critical pressure signals at 200 Hz. Two detection algorithms are supported:
Small Gas Turbine Algorithm: Uses two pressure transmitter signals.
Heavy-Duty Gas Turbine Algorithm: Uses three pressure transmitter signals.
The algorithm monitors compressor discharge pressure (PS3) and its rate of change (dPS3dt) in real-time, comparing them with configurable stall parameters (such as KPS3_Drop_Mn, KPS3_Drop_S, etc.). Once a stall condition is detected, VAICH1D immediately sends a trip signal to the controller, triggering a safe shutdown process and closing the fuel shut-off valves (FSOV).
Input Channels: 20 channels, accessed via two 10-channel TBAI terminal boards.
Signal Types: Supports multiple industrial standard signals:
Voltage Input: ±5 V dc, ±10 V dc
Current Input: 4-20 mA (16 channels), ±1 mA (4 channels)
Signal Conditioning:
Hardware Filtering: First 10 channels (J3) have a single-pole low-pass filter (cutoff frequency 500 rad/sec); last 10 channels (J4) have a two-pole low-pass filter (cutoff frequencies 72 and 500 rad/sec).
Software Filtering: Configurable low-pass filter per channel with selectable cutoff frequencies: 0, 0.75, 1.5, 3, 6, 12 Hz.
High-Precision Conversion: Uses a 16-bit A/D converter with 14-bit effective resolution. Measurement accuracy is better than 0.1% of full scale.
Interference Immunity:
AC Common Mode Rejection (CMR): 60 dB @ 60 Hz
DC Common Mode Rejection: 80 dB
Common Mode Voltage Range: ±5 V (±2 V CMR for ±10 V inputs)
Output Channels: 4 channels, where:
2 channels are configurable as 4-20 mA or 0-200 mA
2 channels are fixed as 4-20 mA
Drive Capability:
4-20 mA Output: VAICH1D supports up to 800 Ω load (with TBAIH1C/STAI).
0-200 mA Output: Supports 50 Ω load.
Output Conversion: Uses a 12-bit D/A converter with 0.5% accuracy.
Redundant Output Mechanism (TMR): Output currents from three boards are combined via a dedicated circuit. The system continuously monitors and selects the median value as the final output, ensuring single-point faults do not affect system operation.
IS200VAICH1D features comprehensive hardware and software diagnostics, with intuitive status indication via three LEDs (RUN, FAIL, STAT) on the front panel:
Hardware Limit Checking: Each input channel has non-configurable hardware high/low limits. Exceeding these limits triggers a diagnostic alarm (L3DIAG_VAIC) and stops scanning that channel.
System Limit Checking: User-configurable high/low limits per input channel for alarm generation, configurable as latching or non-latching.
TMR Difference Monitoring: In TMR systems, continuously compares each channel's signal with the voted value. Exceeding the limit marks the faulty channel for early warning.
Output Loop Monitoring:
Monitors each D/A output, each board's output current, and total output current.
Checks "suicide relay" and 20/200 mA range selection relay status.
Compares input signals with the voted value and checks against TMR difference limits.
Board and Terminal Board ID Verification: Automatically reads and verifies terminal board ID information. Mismatch results in a hardware compatibility fault.
Using system configuration tools, users can finely tune IS200VAICH1D parameters, including:
System and Output Settings: Enable/disable system limits, select output voting mode (Simplex/TMR), set healthy input current range, etc.
Compressor Stall Detection Parameters: Select algorithm type (0/2/3 transducers), designate input channels, set pressure difference threshold, time delay, various KPS3 parameters, etc.
Per-Channel Independent Configuration:
Input type, scaling (engineering unit mapping), filter bandwidth, TMR difference limit.
Output type (0-20/0-200 mA), scaling, suicide relay enable and difference limits.
In a simplex configuration, a single IS200VAICH1D board independently handles all 20 inputs and 4 outputs. The terminal board connects field signals directly to this board, which provides all output current. Suitable for applications requiring high reliability but not redundancy.
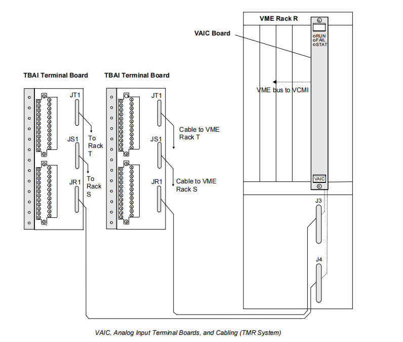
In a TMR configuration, three IS200VAICH1D boards are installed in three independent VME racks (R, S, T):
Input Side: Field signals are fanned out to the three racks via the terminal board's JR1, JS1, JT1 connectors.
Power: The 24 V dc power for transmitters comes from all three racks, selected via diode "OR" logic on the terminal board.
Output Side: Three boards jointly drive each output circuit, achieving fault-tolerant output through current sampling and median voting.
IS200VAICH1D is installed in a standard VME rack, connected to terminal boards via bottom J3 and J4 connectors (latching type).
Installation requires powering down. After inserting the board, secure the front panel screws, then power up and observe front panel LED status.
IS200VAICH1D is a high-performance analog input/output board for the GE Mark VI gas turbine control system, representing the latest generation of the VAIC (Analog Input/Output) series. This board is specifically designed for industrial process control and turbine monitoring, featuring high precision, high reliability, and strong anti-interference capabilities. It is suitable for various demanding environments including gas turbines, steam turbines, compressors, and other critical industrial processes.
IS200VAICH1D maintains the core architecture of previous generations while introducing important upgrades in output drive capability, compatibility, and system integration. The board supports 20 analog inputs and 4 analog outputs, connecting to field sensors and actuators via two terminal boards (TBAI) for signal acquisition and output control. A key feature is its support for Triple Modular Redundancy (TMR) configuration, significantly enhancing system safety and availability for applications requiring extremely high reliability.
IS200VAICH1D optimizes the output stage's voltage drive capability, providing up to 18 V at the terminal board screw terminals. This enables the board to drive larger load resistances in long-distance cable transmission scenarios. Specifically, IS200VAICH1D can support up to 800 Ω load resistance when outputting 20 mA current (with margin when using 1000 ft of #18 gauge wire). In comparison, earlier versions (such as VAICH1C and prior) only supported 500 Ω loads. This improvement significantly extends its applicability in large-scale industrial sites.
Terminal Board Requirements: IS200VAICH1D must be used with TBAIH1C or later terminal boards, and is also compatible with all versions of STAI terminal boards. It is not recommended to use with earlier TBAIH1B or prior versions to avoid performance or compatibility issues.
Forward Compatibility: For input processing, signal conditioning, and diagnostic functions, VAICH1D is fully compatible with existing system configurations and programming interfaces, facilitating upgrades of existing systems.
ID Recognition Function: Terminal boards have built-in ID chips. IS200VAICH1D can automatically read their serial numbers, board type, revision, and connector location information, enabling hardware compatibility self-checking and preventing configuration errors.
IS200VAICH1D fully supports TMR architecture, enabling:
Input Signal Median Selection: Field input signals are fanned out to three independent VME racks (R, S, T). Each VAIC board in each rack performs independent A/D conversion, and the system uses median selection logic for the final output.
Output Current Voting and Fault Tolerance: Three VAIC boards jointly drive the same output circuit. Output currents generated by each board are sampled via series resistors and fed back to each board for real-time comparison. The system uses median selection for the final output and continuously monitors differences between board outputs. When a single board fails, a dedicated "suicide relay" disconnects it from the output circuit, while the remaining two boards automatically take over and maintain the correct output current, achieving seamless fault tolerance.
IS200VAICH1D firmware includes specialized compressor stall detection for gas turbines, sampling and analyzing critical pressure signals at 200 Hz. Two detection algorithms are supported:
Small Gas Turbine Algorithm: Uses two pressure transmitter signals.
Heavy-Duty Gas Turbine Algorithm: Uses three pressure transmitter signals.
The algorithm monitors compressor discharge pressure (PS3) and its rate of change (dPS3dt) in real-time, comparing them with configurable stall parameters (such as KPS3_Drop_Mn, KPS3_Drop_S, etc.). Once a stall condition is detected, VAICH1D immediately sends a trip signal to the controller, triggering a safe shutdown process and closing the fuel shut-off valves (FSOV).
Input Channels: 20 channels, accessed via two 10-channel TBAI terminal boards.
Signal Types: Supports multiple industrial standard signals:
Voltage Input: ±5 V dc, ±10 V dc
Current Input: 4-20 mA (16 channels), ±1 mA (4 channels)
Signal Conditioning:
Hardware Filtering: First 10 channels (J3) have a single-pole low-pass filter (cutoff frequency 500 rad/sec); last 10 channels (J4) have a two-pole low-pass filter (cutoff frequencies 72 and 500 rad/sec).
Software Filtering: Configurable low-pass filter per channel with selectable cutoff frequencies: 0, 0.75, 1.5, 3, 6, 12 Hz.
High-Precision Conversion: Uses a 16-bit A/D converter with 14-bit effective resolution. Measurement accuracy is better than 0.1% of full scale.
Interference Immunity:
AC Common Mode Rejection (CMR): 60 dB @ 60 Hz
DC Common Mode Rejection: 80 dB
Common Mode Voltage Range: ±5 V (±2 V CMR for ±10 V inputs)
Output Channels: 4 channels, where:
2 channels are configurable as 4-20 mA or 0-200 mA
2 channels are fixed as 4-20 mA
Drive Capability:
4-20 mA Output: VAICH1D supports up to 800 Ω load (with TBAIH1C/STAI).
0-200 mA Output: Supports 50 Ω load.
Output Conversion: Uses a 12-bit D/A converter with 0.5% accuracy.
Redundant Output Mechanism (TMR): Output currents from three boards are combined via a dedicated circuit. The system continuously monitors and selects the median value as the final output, ensuring single-point faults do not affect system operation.
IS200VAICH1D features comprehensive hardware and software diagnostics, with intuitive status indication via three LEDs (RUN, FAIL, STAT) on the front panel:
Hardware Limit Checking: Each input channel has non-configurable hardware high/low limits. Exceeding these limits triggers a diagnostic alarm (L3DIAG_VAIC) and stops scanning that channel.
System Limit Checking: User-configurable high/low limits per input channel for alarm generation, configurable as latching or non-latching.
TMR Difference Monitoring: In TMR systems, continuously compares each channel's signal with the voted value. Exceeding the limit marks the faulty channel for early warning.
Output Loop Monitoring:
Monitors each D/A output, each board's output current, and total output current.
Checks "suicide relay" and 20/200 mA range selection relay status.
Compares input signals with the voted value and checks against TMR difference limits.
Board and Terminal Board ID Verification: Automatically reads and verifies terminal board ID information. Mismatch results in a hardware compatibility fault.
Using system configuration tools, users can finely tune IS200VAICH1D parameters, including:
System and Output Settings: Enable/disable system limits, select output voting mode (Simplex/TMR), set healthy input current range, etc.
Compressor Stall Detection Parameters: Select algorithm type (0/2/3 transducers), designate input channels, set pressure difference threshold, time delay, various KPS3 parameters, etc.
Per-Channel Independent Configuration:
Input type, scaling (engineering unit mapping), filter bandwidth, TMR difference limit.
Output type (0-20/0-200 mA), scaling, suicide relay enable and difference limits.
In a simplex configuration, a single IS200VAICH1D board independently handles all 20 inputs and 4 outputs. The terminal board connects field signals directly to this board, which provides all output current. Suitable for applications requiring high reliability but not redundancy.
In a TMR configuration, three IS200VAICH1D boards are installed in three independent VME racks (R, S, T):
Input Side: Field signals are fanned out to the three racks via the terminal board's JR1, JS1, JT1 connectors.
Power: The 24 V dc power for transmitters comes from all three racks, selected via diode "OR" logic on the terminal board.
Output Side: Three boards jointly drive each output circuit, achieving fault-tolerant output through current sampling and median voting.
IS200VAICH1D is installed in a standard VME rack, connected to terminal boards via bottom J3 and J4 connectors (latching type).
Installation requires powering down. After inserting the board, secure the front panel screws, then power up and observe front panel LED status.
| Item | Detailed Specification |
|---|---|
| Total Channels | Each IS200VAICH1D board provides 24 signal channels. |
| Analog Input (AI) | 20 channels of differential input, accessed via two 10-channel TBAI series terminal boards. |
| Analog Output (AO) | 4 channels of current output. |
| Output Channel Configuration | - Outputs 1 and 2: Configurable as 4-20 mA or 0-200 mA. - Outputs 3 and 4: Fixed as 4-20 mA. |
| System Architecture Support | Fully supports Simplex and Triple Modular Redundancy (TMR) configurations. |
| Item | Detailed Specification |
|---|---|
| Supported Signal Types | Selected via terminal board jumpers: - Current: 4-20 mA (16 ch), ±1 mA (4 ch) - Voltage: ±5 V dc, ±10 V dc |
| Input Impedance | - 4-20 mA Input: 250 Ω - ±1 mA Input: 5,000 Ω (5 kΩ) - Voltage Input (±5/±10 V): 500,000 Ω (500 kΩ) |
| A/D Converter | - Resolution: 16-bit - Effective Accuracy: 14-bit (guaranteed linear resolution) - Measurement Accuracy: Better than 0.1% of full scale (FS) |
| Scanning Period | - Normal Scan: 10 ms (corresponding to 100 Hz sampling rate), for all 20 inputs. - High-Speed Scan: 5 ms (corresponding to 200 Hz sampling rate), dedicated to the first 4 analog inputs (AnalogIn1 - AnalogIn4) to meet high-speed application needs like compressor stall detection. |
| Noise Suppression & Filtering | Hardware Filtering: - J3 Connector (first 10 ch): Single-pole low-pass filter, cutoff frequency 500 rad/sec. - J4 Connector (last 10 ch): Two-pole low-pass filter, cutoff frequencies 72 rad/sec and 500 rad/sec. Software Filtering: Independently configurable digital low-pass filter per channel with selectable cutoff frequencies: 0 Hz (disabled), 0.75 Hz, 1.5 Hz, 3 Hz, 6 Hz, 12 Hz. |
| Common Mode Rejection (CMR) | - AC CMR: At 60 Hz, for common mode voltages up to ±5 V, rejection ≥ 60 dB. - DC CMR: For common mode voltages from -5 V to +7 V peak, rejection ≥ 80 dB. |
| Common Mode Voltage Range | The allowable common mode voltage range between input terminals is ±5 V. (Note: For ±10 V range inputs, the common mode voltage range is correspondingly reduced to ±2 V to maintain CMR performance.) |
| Item | Detailed Specification |
|---|---|
| D/A Converter | - Resolution: 12-bit - Accuracy: 0.5% of full scale |
| Output Drive Capability | Key Upgrade Point: - 4-20 mA Output (IS200VAICH1D): Provides up to 18 V compliance voltage at the terminal board screw terminals, capable of driving loads up to 800 Ω (with margin when using 1000 ft of #18 gauge wire). (Compare: Early versions VAICH1C and prior only supported 500 Ω loads.) - 0-200 mA Output: Can drive 50 Ω loads. |
| Output Load Compatibility | - To achieve 800 Ω drive capability, must use TBAIH1C or later terminal boards, or any version of STAI terminal boards. - Using older TBAIH1B or DTAI terminal boards will limit load capability to the earlier version's 500 Ω level. |
| Item | Detailed Specification |
|---|---|
| Compressor Stall Detection | - Execution Rate: 200 Hz - Algorithm Response Time: Time from condition detection to trip signal issuance ≤ 30 ms (including relay operation time). |
| Fault Diagnostic Coverage | Monitors the following items and performs reasonability checks to generate fault alarms: 1. Out-of-limit status of each analog input (hardware and configurable system limits). 2. Reference value of each D/A converter. 3. Output current from each VAIC board and the total three-board output current. 4. Status of "suicide" relays and 20/200 mA range selection relays. 5. In TMR systems, continuously compares each board's input signal with the voted median value. |
| Power Consumption | Maximum power consumption per IS200VAICH1D board is less than 31 Megawatts (MW). (Note: This unit is likely a documentation error; actual should be milliwatts mW or watts W, with typical values in the range of several watts. Refer to actual hardware manual.) |
| Item | Detailed Specification |
|---|---|
| Dimensions | - Height: 26.04 cm (10.26 in) - Width: 1.99 cm (0.782 in) - Standard single-slot VME board width - Depth: 18.73 cm (7.375 in) |
| Operating Temperature | 0°C to +60°C (32°F to 140°F) |
| Board Status Indicators | Front panel has three LED indicators: - RUN (Running): Green flashing – Normal operation. - FAIL (Fault): Red steady on – Board has a critical fault. - STAT (Status): Orange steady on – A diagnostic alarm condition exists (but board may still be operational online). |
| Item | Detailed Specification |
|---|---|
| Total Channels | Each IS200VAICH1D board provides 24 signal channels. |
| Analog Input (AI) | 20 channels of differential input, accessed via two 10-channel TBAI series terminal boards. |
| Analog Output (AO) | 4 channels of current output. |
| Output Channel Configuration | - Outputs 1 and 2: Configurable as 4-20 mA or 0-200 mA. - Outputs 3 and 4: Fixed as 4-20 mA. |
| System Architecture Support | Fully supports Simplex and Triple Modular Redundancy (TMR) configurations. |
| Item | Detailed Specification |
|---|---|
| Supported Signal Types | Selected via terminal board jumpers: - Current: 4-20 mA (16 ch), ±1 mA (4 ch) - Voltage: ±5 V dc, ±10 V dc |
| Input Impedance | - 4-20 mA Input: 250 Ω - ±1 mA Input: 5,000 Ω (5 kΩ) - Voltage Input (±5/±10 V): 500,000 Ω (500 kΩ) |
| A/D Converter | - Resolution: 16-bit - Effective Accuracy: 14-bit (guaranteed linear resolution) - Measurement Accuracy: Better than 0.1% of full scale (FS) |
| Scanning Period | - Normal Scan: 10 ms (corresponding to 100 Hz sampling rate), for all 20 inputs. - High-Speed Scan: 5 ms (corresponding to 200 Hz sampling rate), dedicated to the first 4 analog inputs (AnalogIn1 - AnalogIn4) to meet high-speed application needs like compressor stall detection. |
| Noise Suppression & Filtering | Hardware Filtering: - J3 Connector (first 10 ch): Single-pole low-pass filter, cutoff frequency 500 rad/sec. - J4 Connector (last 10 ch): Two-pole low-pass filter, cutoff frequencies 72 rad/sec and 500 rad/sec. Software Filtering: Independently configurable digital low-pass filter per channel with selectable cutoff frequencies: 0 Hz (disabled), 0.75 Hz, 1.5 Hz, 3 Hz, 6 Hz, 12 Hz. |
| Common Mode Rejection (CMR) | - AC CMR: At 60 Hz, for common mode voltages up to ±5 V, rejection ≥ 60 dB. - DC CMR: For common mode voltages from -5 V to +7 V peak, rejection ≥ 80 dB. |
| Common Mode Voltage Range | The allowable common mode voltage range between input terminals is ±5 V. (Note: For ±10 V range inputs, the common mode voltage range is correspondingly reduced to ±2 V to maintain CMR performance.) |
| Item | Detailed Specification |
|---|---|
| D/A Converter | - Resolution: 12-bit - Accuracy: 0.5% of full scale |
| Output Drive Capability | Key Upgrade Point: - 4-20 mA Output (IS200VAICH1D): Provides up to 18 V compliance voltage at the terminal board screw terminals, capable of driving loads up to 800 Ω (with margin when using 1000 ft of #18 gauge wire). (Compare: Early versions VAICH1C and prior only supported 500 Ω loads.) - 0-200 mA Output: Can drive 50 Ω loads. |
| Output Load Compatibility | - To achieve 800 Ω drive capability, must use TBAIH1C or later terminal boards, or any version of STAI terminal boards. - Using older TBAIH1B or DTAI terminal boards will limit load capability to the earlier version's 500 Ω level. |
| Item | Detailed Specification |
|---|---|
| Compressor Stall Detection | - Execution Rate: 200 Hz - Algorithm Response Time: Time from condition detection to trip signal issuance ≤ 30 ms (including relay operation time). |
| Fault Diagnostic Coverage | Monitors the following items and performs reasonability checks to generate fault alarms: 1. Out-of-limit status of each analog input (hardware and configurable system limits). 2. Reference value of each D/A converter. 3. Output current from each VAIC board and the total three-board output current. 4. Status of "suicide" relays and 20/200 mA range selection relays. 5. In TMR systems, continuously compares each board's input signal with the voted median value. |
| Power Consumption | Maximum power consumption per IS200VAICH1D board is less than 31 Megawatts (MW). (Note: This unit is likely a documentation error; actual should be milliwatts mW or watts W, with typical values in the range of several watts. Refer to actual hardware manual.) |
| Item | Detailed Specification |
|---|---|
| Dimensions | - Height: 26.04 cm (10.26 in) - Width: 1.99 cm (0.782 in) - Standard single-slot VME board width - Depth: 18.73 cm (7.375 in) |
| Operating Temperature | 0°C to +60°C (32°F to 140°F) |
| Board Status Indicators | Front panel has three LED indicators: - RUN (Running): Green flashing – Normal operation. - FAIL (Fault): Red steady on – Board has a critical fault. - STAT (Status): Orange steady on – A diagnostic alarm condition exists (but board may still be operational online). |

