ABB
HIEE305082R0001
$860
In Stock
T/T
Xiamen
| Availability: | |
|---|---|
| Quantity: | |
The UNS 0863 is a core interface device within the ABB UNITROL® F series excitation systems. Functioning as a signal input/output (I/O) interface module, it acts as a crucial bridge between the excitation system and external control circuits, protection systems, and monitoring equipment. This module is mounted on a universal aluminum carrier (UNC 4866 or UNC 4868) and is typically installed in the customer's interface panel, allowing for direct connection to the control room for centralized signal management and dispatch.
The UNS 0863 possesses robust signal processing capabilities, supporting digital I/O, analog I/O, and relay outputs. It is suitable for excitation control of synchronous machines in various industrial environments, playing a key role in applications such as power plants, hydropower stations, and industrial drives.
Number of Channels: 16
Electrical Characteristics:
Rated Voltage: 24 VDC
Logical "1" Level: ≥18 V
Logical "0" Level: ≤10 V
Input Delay: 3.6 ms ±20%
Test Voltage: 1.5 kV, 1 minute
Galvanic Isolation: Each input is electrically isolated via an optocoupler, enhancing noise immunity and system safety.
Power Source: The 24 VDC interrogation voltage is supplied by the UNS 0868 Power Supply Unit, supporting redundant configuration.
Number of Channels: 18
Contact Type: Changeover contacts (NO/NC)
Load Capacity:
Maximum Voltage: 250 VAC/DC
Inrush Current: ≤16 A
Continuous Current: ≤2 A
Breaking Capacity: ≤1000 VA (cosφ ≥0.3) or ≤50 W (L/R ≤0 ms)
Special Function Relays:
CH I & II FAIL: Dual-channel fault indication
EXCITATION TRIP: Excitation trip command
COMMON ALARM: Common alarm
Number of Channels: 2 general-purpose (AITAC / AI2) + 1 dedicated (PSSin)
Signal Type:
Voltage Input: ±10 VDC (max. ±15 V)
Current Input: ±20 mA (requires external load resistors)
Input Impedance: 200 kΩ
Purpose:
Reception of remote setpoints (e.g., power factor, reactive power)
External stabilisation signal input (e.g., PSS signal)
Number of Channels: 4
Signal Type:
AO1, AO2: Parameterizable, output ±10 VDC, ≤4 mA
Ie: Excitation current signal, +5 VDC or +3 VDC under rated conditions
Pout: Active power signal (requires optional PSS Signal Transformer UNS 0869)
Reference Potential: Common ZA (non-isolated)
All analog signals are routed to test points, facilitating commissioning and maintenance.
Supports bulk measurement using a 50-pin flat cable connector (HETT 401363 P6).
The 16 digital inputs of the UNS 0863 are isolated via optocouplers and then sampled and buffered by the UNS 1860 Signal Processing Device. The input status is displayed in real-time by LED indicators (IN1–IN16). The reference potential for all inputs is connected via solder bridges by default. For independent circuits (e.g., PLC outputs), the corresponding bridge can be cut to achieve electrical separation.
The 18 relays are controlled by the UNS 1860 via driver circuits, which include short-circuit protection. The output status is indicated by LEDs (OUT3–OUT18, TRIP, CH I/II FAIL). Relay outputs are used not only for常规 control but also for system protection functions such as excitation tripping (EXC TRIP) and channel failure alarms (CH I/II FAIL).
Analog Inputs:
Signals pass through differential amplifiers to the A/D converter and are calibrated and processed by software.
If current signals (e.g., 4–20 mA) are used, external load resistors (e.g., R1001–R1004) must be fitted.
Analog Outputs:
Output signals are generated by the currently active excitation channel and output via D/A conversion.
In dual-channel systems, signals are automatically switched to those of the active channel via relays.
The UNS 0863 connects to the UNS 1860 Signal Processing Device via 34-pin flat cables, enabling:
Reading and writing of digital I/O statuses.
Acquisition and output of analog values.
Transmission of fault and alarm signals.
In AFT (Dual Automatic Channel) configurations:
The TWIN jumper defines whether one or two independent machine transformer sets are used.
The 2-CH jumper enables dual-channel communication.
Analog outputs automatically select signals from the currently active channel, ensuring system redundancy and reliability.
The module is mounted on UNC 4866 (600 mm system) or UNC 4868 (800 mm system) carriers.
It is grounded via mounting bolts, complying with EMC and safety standards.
Digital I/O and Relay Outputs: Use 2.5 mm² spring-clamp terminals.
Analog I/O: Use dedicated terminal blocks, supporting both voltage and current signals.
Flat Cables: Used for connections to UNS 1860 and UNS 0862. Cable length is customized based on requirements.
TWIN Setting:
Set to 'Y' if two UNS 0862 devices are used.
Set to 'N' if a single UNS 0862 is shared.
2-CH Setting:
Set to 'Y' in dual-channel systems to enable the second channel communication.
Load Resistor Configuration:
Resistors R1001–R1004 are selected based on the current signal range, with a maximum power dissipation of 0.3 W per resistor.
The UNS 0863 is widely used in the following applications:
Thermal Power Plants: Automatic voltage regulation and reactive power control of synchronous generators.
Hydropower Plants: Excitation control and protection of hydro-generators.
Industrial Drives: Start-up and operational control of large synchronous motors.
Marine Power Systems: Excitation management for shipboard generators.
Island Grid Operation Systems: Maintaining grid voltage and frequency stability.
The UNS 0863 is a core interface device within the ABB UNITROL® F series excitation systems. Functioning as a signal input/output (I/O) interface module, it acts as a crucial bridge between the excitation system and external control circuits, protection systems, and monitoring equipment. This module is mounted on a universal aluminum carrier (UNC 4866 or UNC 4868) and is typically installed in the customer's interface panel, allowing for direct connection to the control room for centralized signal management and dispatch.
The UNS 0863 possesses robust signal processing capabilities, supporting digital I/O, analog I/O, and relay outputs. It is suitable for excitation control of synchronous machines in various industrial environments, playing a key role in applications such as power plants, hydropower stations, and industrial drives.
Number of Channels: 16
Electrical Characteristics:
Rated Voltage: 24 VDC
Logical "1" Level: ≥18 V
Logical "0" Level: ≤10 V
Input Delay: 3.6 ms ±20%
Test Voltage: 1.5 kV, 1 minute
Galvanic Isolation: Each input is electrically isolated via an optocoupler, enhancing noise immunity and system safety.
Power Source: The 24 VDC interrogation voltage is supplied by the UNS 0868 Power Supply Unit, supporting redundant configuration.
Number of Channels: 18
Contact Type: Changeover contacts (NO/NC)
Load Capacity:
Maximum Voltage: 250 VAC/DC
Inrush Current: ≤16 A
Continuous Current: ≤2 A
Breaking Capacity: ≤1000 VA (cosφ ≥0.3) or ≤50 W (L/R ≤0 ms)
Special Function Relays:
CH I & II FAIL: Dual-channel fault indication
EXCITATION TRIP: Excitation trip command
COMMON ALARM: Common alarm
Number of Channels: 2 general-purpose (AITAC / AI2) + 1 dedicated (PSSin)
Signal Type:
Voltage Input: ±10 VDC (max. ±15 V)
Current Input: ±20 mA (requires external load resistors)
Input Impedance: 200 kΩ
Purpose:
Reception of remote setpoints (e.g., power factor, reactive power)
External stabilisation signal input (e.g., PSS signal)
Number of Channels: 4
Signal Type:
AO1, AO2: Parameterizable, output ±10 VDC, ≤4 mA
Ie: Excitation current signal, +5 VDC or +3 VDC under rated conditions
Pout: Active power signal (requires optional PSS Signal Transformer UNS 0869)
Reference Potential: Common ZA (non-isolated)
All analog signals are routed to test points, facilitating commissioning and maintenance.
Supports bulk measurement using a 50-pin flat cable connector (HETT 401363 P6).
The 16 digital inputs of the UNS 0863 are isolated via optocouplers and then sampled and buffered by the UNS 1860 Signal Processing Device. The input status is displayed in real-time by LED indicators (IN1–IN16). The reference potential for all inputs is connected via solder bridges by default. For independent circuits (e.g., PLC outputs), the corresponding bridge can be cut to achieve electrical separation.
The 18 relays are controlled by the UNS 1860 via driver circuits, which include short-circuit protection. The output status is indicated by LEDs (OUT3–OUT18, TRIP, CH I/II FAIL). Relay outputs are used not only for常规 control but also for system protection functions such as excitation tripping (EXC TRIP) and channel failure alarms (CH I/II FAIL).
Analog Inputs:
Signals pass through differential amplifiers to the A/D converter and are calibrated and processed by software.
If current signals (e.g., 4–20 mA) are used, external load resistors (e.g., R1001–R1004) must be fitted.
Analog Outputs:
Output signals are generated by the currently active excitation channel and output via D/A conversion.
In dual-channel systems, signals are automatically switched to those of the active channel via relays.
The UNS 0863 connects to the UNS 1860 Signal Processing Device via 34-pin flat cables, enabling:
Reading and writing of digital I/O statuses.
Acquisition and output of analog values.
Transmission of fault and alarm signals.
In AFT (Dual Automatic Channel) configurations:
The TWIN jumper defines whether one or two independent machine transformer sets are used.
The 2-CH jumper enables dual-channel communication.
Analog outputs automatically select signals from the currently active channel, ensuring system redundancy and reliability.
The module is mounted on UNC 4866 (600 mm system) or UNC 4868 (800 mm system) carriers.
It is grounded via mounting bolts, complying with EMC and safety standards.
Digital I/O and Relay Outputs: Use 2.5 mm² spring-clamp terminals.
Analog I/O: Use dedicated terminal blocks, supporting both voltage and current signals.
Flat Cables: Used for connections to UNS 1860 and UNS 0862. Cable length is customized based on requirements.
TWIN Setting:
Set to 'Y' if two UNS 0862 devices are used.
Set to 'N' if a single UNS 0862 is shared.
2-CH Setting:
Set to 'Y' in dual-channel systems to enable the second channel communication.
Load Resistor Configuration:
Resistors R1001–R1004 are selected based on the current signal range, with a maximum power dissipation of 0.3 W per resistor.
The UNS 0863 is widely used in the following applications:
Thermal Power Plants: Automatic voltage regulation and reactive power control of synchronous generators.
Hydropower Plants: Excitation control and protection of hydro-generators.
Industrial Drives: Start-up and operational control of large synchronous motors.
Marine Power Systems: Excitation management for shipboard generators.
Island Grid Operation Systems: Maintaining grid voltage and frequency stability.
| Category | Item | Specification / Parameter |
|---|---|---|
| Digital Inputs | Number of Channels | 16 |
| Rated Voltage | 24 VDC | |
| Logic Level | "1": ≥18 V; "0": ≤10 V | |
| Input Delay | 3.6 ms ±20% | |
| Isolation | Photoelectric Isolation | |
| Test Voltage | 1.5 kV, 1 min | |
| Relay Outputs | Number of Channels | 18 |
| Contact Type | Changeover (SPDT) | |
| Max. Voltage | 250 VAC/DC | |
| Inrush Current | ≤16 A | |
| Continuous Current | ≤2 A | |
| Breaking Capacity | ≤1000 VA (cosφ ≥0.3) or ≤50 W (L/R ≤0 ms) | |
| Analog Inputs | Number of Channels | 2 Universal (AITAC, AI2) + 1 Dedicated (PSSin) |
| Signal Range | ±10 VDC (max. ±15 V) or ±20 mA | |
| Input Impedance | 200 kΩ | |
| Analog Outputs | Number of Channels | 4 |
| Signal Range | ±10 VDC, ≤4 mA | |
| Excitation Current (Ie) | +5 VDC or +3 VDC (@ rated excitation current) | |
| Physical Characteristics | Connection Terminals | 2.5 mm² spring-clamp terminals |
| Flat Cables | 34-pin (to UNS 1860), 10-pin (to UNS 0862) | |
| Mounting | UNC 4866 / UNC 4868 Carrier | |
| Environment & Compliance | Operating Temperature | 0°C to +55°C (typical) |
| Protection Degree | Typically IP20 (dependent on cabinet) | |
| Compatible Systems | ABB UNITROL® F Series Excitation Systems | |
| Configuration Jumpers | TWIN | Selects single/dual machine transformer sets |
| 2-CH | Enables/disables dual-channel communication |
| Category | Item | Specification / Parameter |
|---|---|---|
| Digital Inputs | Number of Channels | 16 |
| Rated Voltage | 24 VDC | |
| Logic Level | "1": ≥18 V; "0": ≤10 V | |
| Input Delay | 3.6 ms ±20% | |
| Isolation | Photoelectric Isolation | |
| Test Voltage | 1.5 kV, 1 min | |
| Relay Outputs | Number of Channels | 18 |
| Contact Type | Changeover (SPDT) | |
| Max. Voltage | 250 VAC/DC | |
| Inrush Current | ≤16 A | |
| Continuous Current | ≤2 A | |
| Breaking Capacity | ≤1000 VA (cosφ ≥0.3) or ≤50 W (L/R ≤0 ms) | |
| Analog Inputs | Number of Channels | 2 Universal (AITAC, AI2) + 1 Dedicated (PSSin) |
| Signal Range | ±10 VDC (max. ±15 V) or ±20 mA | |
| Input Impedance | 200 kΩ | |
| Analog Outputs | Number of Channels | 4 |
| Signal Range | ±10 VDC, ≤4 mA | |
| Excitation Current (Ie) | +5 VDC or +3 VDC (@ rated excitation current) | |
| Physical Characteristics | Connection Terminals | 2.5 mm² spring-clamp terminals |
| Flat Cables | 34-pin (to UNS 1860), 10-pin (to UNS 0862) | |
| Mounting | UNC 4866 / UNC 4868 Carrier | |
| Environment & Compliance | Operating Temperature | 0°C to +55°C (typical) |
| Protection Degree | Typically IP20 (dependent on cabinet) | |
| Compatible Systems | ABB UNITROL® F Series Excitation Systems | |
| Configuration Jumpers | TWIN | Selects single/dual machine transformer sets |
| 2-CH | Enables/disables dual-channel communication |

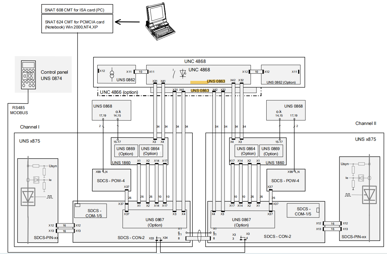
Fig. 2 shows all the interconnections in a 2-channel system, including all possible options. A distinction is made between single wire- and flat cable connections. The number in the middle of the cable corresponds to the number of wires per cable. In a 1-channel system, the connections to the second channel are not used.


Fig. 2 shows all the interconnections in a 2-channel system, including all possible options. A distinction is made between single wire- and flat cable connections. The number in the middle of the cable corresponds to the number of wires per cable. In a 1-channel system, the connections to the second channel are not used.
