Author: Site Editor Publish Time: 2025-09-10 Origin: Site
The I/A Series® System is an intelligent automation platform developed by Invensys Foxboro(now part of Schneider Electric), widely used in process control industries. Its Intrinsically Safe (IS) I/O Subsystem is a critical component designed for safe and reliable signal acquisition and control in potentially explosive atmospheres (e.g., Zone 1/Zone 21 or Zone 2/Zone 22).
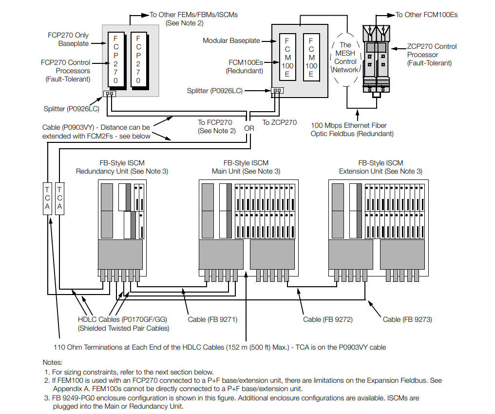
The core of this subsystem is the Intrinsically Safe Communication Module (ISCM), which serves as a bridge between I/A Series control processors (such as the FCP270 or ZCP270) and Pepperl+Fuchs (P+F) intrinsically safe I/O modules. The ISCM supports two styles of P+F I/O modules: LB-Style (for Zone 2/Div. 2 environments) and FB-Style (for Zone 1 environments). Through the ISCM, these third-party I/O modules are recognized and managed by the I/A Series system just like standard 200 Series Fieldbus Modules (FBMs).
The ISCM supports a wide range of P+F intrinsically safe I/O modules, including:
Analog Input/Output Modules: e.g., 4–20 mA input (LB 3104), thermocouple/RTD input (LB 5102 F), analog output (LB 4104), etc.
Digital Input/Output Modules: e.g., 8-channel digital input (LB 1108), digital output with position feedback (LB 2101), etc.
HART Communication Modules: Support HART-enabled analog I/O modules (e.g., LB 3102 A), enabling digital communication and configuration with smart instruments.
Pulse Counting and Frequency Modules: e.g., LB 1104 F (pulse count + direction detection), LB 1103 F (frequency input), etc.
Supports redundant ISCM configurations. In the event of a primary ISCM failure, the backup seamlessly takes over without interrupting process data.
Supports power supply redundancy, especially in Zone 2 applications, where a third power supply can provide backup to prevent system downtime.
Most P+F I/O modules feature Line Fault Detection (LFD), capable of identifying:
Analog current below 0.5 mA or above 22 mA
Open analog output loop
Open or short-circuited digital input
Burned-out thermocouple, etc.
A red LED on the module front panel lights up upon fault detection, and the system is alerted via the I/O BAD bit, with clear indications on both block faceplates and system management interfaces.
Supports communication with smart instruments via HART I/O modules, enabling reading of multivariable data (e.g., PV, SV, TV), device status, and configuration information.
Supports up to 80 HART devices, 480 HART I/O point connections, and 12 HART pass-through sessions.
The ISCM communicates with I/A Series control processors (FCP270 or ZCP270) via a 2 Mbps HDLC fieldbus. This bus supports redundant paths to ensure communication reliability. For the ZCP270, communication is routed through FCM100E/Et modules, which convert the protocol for transmission over an Ethernet fiber-optic network.
Upon startup, the ISCM automatically scans the connected P+F I/O modules and constructs corresponding FBM data structures and letterbug tables in memory. This emulation mechanism allows:
The system to use standard I/A Series control blocks (e.g., AIN, AOUT, CIN, COUT) for configuration.
Configuration via graphical tools such as the InFusion Engineering Environment (IEE) or I/A Series ICC.
Each ISCM and I/O module is identified by a unique 6-character letterbug:
The first 3 characters are user-defined during system definition.
The 4th character is set via a rotary switch on the ISCM (0–9 or A–F), distinguishing different ISCMs.
The 5th–6th characters represent the module slot number (01–48); dual-width modules use the left slot number.
Redundant ISCMs synchronize their databases via the communication bus on the base unit. If the primary ISCM fails, the backup can take over within milliseconds and continue communicating with I/O modules. Note that digital data from HART devices may experience a brief interruption while communication is reestablished.
The ISCM monitors the status of all connected power supplies (up to 6 LB-style or 4 FB-style) and reports anomalies via bit states in the Diag Status 1 byte. Users can disable monitoring for specific power supplies using the SYSOPT parameter.
Each ISCM is configured with an ECB200 (single module) or ECB202 (redundant pair).
Each I/O module is configured with a corresponding ECB (e.g., ECB1 for analog input, ECB53 for analog output).
Control blocks (e.g., PID, AIN, AOUT) use the PNT_NO parameter to point to specific I/O channels.
All P+F I/O modules are ATEX/IECEx certified for use in hazardous areas.
The system supports Safety Integrity Level (SIL) 2; some modules include independent shutdown inputs for Safety Instrumented Functions (SIF).
Oil & Gas: Wellhead control, compressor monitoring, tank farm measurement
Chemical & Pharmaceutical: Reactor temperature control, flow measurement, safety interlock systems
Power & Energy: Boiler control, gas turbine monitoring
Water Treatment: Pump station control, water quality monitoring

content is empty!